USSR SHOP »
Магазин » Курсовой проект по ОТПИРА (восстановление.задний мост)
Купить Курсовой проект по ОТПИРА (восстановление.задний мост)
Обновлено: 2026-02-07 12:37:48
$ 15
1 продажа
Всего продаж: 1
✅ Методы оплаты:
Описание товара:
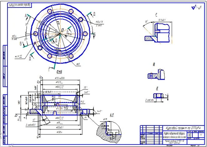
В данной курсовой работе разработан технологический процесс восстановления детали – муфты подшипников ведущей шестерни главной пары заднего моста автомобиля ГАЗ-51. Восстанавливаемая поверхность – отверстие под наружное кольцо подшипника. Выбран метод восстановления – электродуговая металлизация. В ходе работы проанализированы:
• способы восстановления муфты;
• возможные дефекты детали и способы их устранения;
• условия ее работы;
• выбран наиболее целесообразный метод восстановления;
• рассчитаны режимы резания, нормы времени на операции;
• выбран способ контроля детали после восстановления изношенных поверхностей.
В комплекте: 4 чертежа - сборочный, 2 деталировки, наладки, формат А1, Компас; спецификация; пояснительная записка на 38 листов; карты тех.процесса
• способы восстановления муфты;
• возможные дефекты детали и способы их устранения;
• условия ее работы;
• выбран наиболее целесообразный метод восстановления;
• рассчитаны режимы резания, нормы времени на операции;
• выбран способ контроля детали после восстановления изношенных поверхностей.
В комплекте: 4 чертежа - сборочный, 2 деталировки, наладки, формат А1, Компас; спецификация; пояснительная записка на 38 листов; карты тех.процесса
Изображения:
Вас могут заинтересовать:
10.07.2010
0 продаж
Курсовой проект - Объемно-планировочные решения - 3
Купить
$ 10.28
27.09.2025
37 продаж
️ Восстановление данных Aiseesoft Лицензия на 1 год
Купить
$ 2.8
01.08.2023
1 продажа
Проект аварийной вентиляции
Купить
$ 3.36
08.05.2009
0 продаж
Проект «Страна». Сайт «Строительство торгового центра»
Купить
$ 14
09.08.2022
1 продажа
Проект реконструкция катодной защиты
Купить
$ 2.46
15.04.2022
1 продажа
База данных Склад товаров и ТМЦ.mdb + текст курсовой
Купить
$ 4
06.10.2021
0 продаж
Проект закрытой автостоянки
Купить
$ 1.67
Более 10 лет
0 продаж
Проект мероприятий по созданию нового гостиничного пре
Купить
$ 65.76
Более 10 лет
0 продаж
Проект мероприятий по совершенствованию сбытовой полити
Купить
$ 65.77
25.05.2021
0 продаж
Проект каркасного дома с открытой террасой 9000х6000 мм
Купить
$ 4
12.08.2015
2 продажи
Приложение для курсовой «Руководство отеля»
Купить
$ 5
07.02.2009
2 продажи
ЛЁГКОЕ ВОССТАНОВЛЕНИЕ ЦИФРОВЫХ ФОТОГРАФИЙ + БОНУС
Купить
$ 1
12.08.2015
0 продаж
Приложение для курсовой «Студенческая группа»
Купить
$ 5
13.03.2020
0 продаж
Проект сборки каркасной бытовки или дачного домика 22кв
Купить
$ 2
07.07.2020
2 продажи
Проект по ремонту сквера
Купить
$ 2.09
09.03.2017
0 продаж
Франк Керн - Проект Инфобизнеса (цена - 2997$)
Купить
$ 0.63
06.03.2016
1 продажа
Проект экспресс
Купить
$ 5.71
12.11.2024
0 продаж
Проект пожарной сигнализации диспетчерской
Купить
$ 0.77
30.09.2024
0 продаж
Проект технологии установки очистки газа
Купить
$ 0.77
24.09.2024
0 продаж
Проект раскладки кабелей ПС 110_10 кВ
Купить
$ 0.78
14.02.2003
0 продаж
Курсовой проект: "Вентиляция промышленных зданий" 4-й курс,2 семестр(в полном объёме)
Купить
$ 9
30.01.2009
0 продаж
ВОССТАНОВЛЕНИЕ УДАЛЕННЫХ ЛОГИЧЕСКИХ ДИСКОВ + БОНУС
Купить
$ 1.2
12.08.2015
0 продаж
Приложение для курсовой «Неуспевающие студенты»
Купить
$ 5
27.02.2020
0 продаж
Время на восстановление
Купить
$ 15.19
04.11.2015
0 продаж
Дипломный проект. Автоматизация техн. обор. с чертежами
Купить
$ 26.31
16.01.2021
0 продаж
Дипломный проект Торгово-выставочный павильон
Купить
$ 14.37
16.01.2021
0 продаж
Дипломный проект Секция коттеджного посёлка
Купить
$ 14.29
09.09.2016
0 продаж
Проект мероприятий по совершенствованию управления перс
Купить
$ 10
22.12.2016
0 продаж
Проект столовой на 90 мест с диетзалом на 20 мест (2016
Купить
$ 10
19.02.2019
0 продаж
Готовый проект Obliterate project ( +COLLECT FILES )
Купить
$ 10
21.11.2025
0 продаж
Резервное копирование и восстановление SMSProGoogleplay
Купить
$ 8
02.04.2016
0 продаж
Успешный проект"
Купить
$ 5.22
20.03.2021
0 продаж
Профилактика и восстановление здоровья в органах зрения
Купить
$ 4.38
17.03.2008
0 продаж
Как привлечь новых участников в Ваш проект
Купить
$ 5
17.04.2022
0 продаж
База данных Учет работы.mdb + текст курсовой
Купить
$ 5
06.07.2025
0 продаж
Проект открытой беседки 3,9х2,5
Купить
$ 5
14.01.2007
0 продаж
Пешеходный мост Богдана Хмельницкого
Купить
$ 0.51
03.06.2015
0 продаж
Готовый проект для Sony Vegas Pro - Light Connection
Купить
$ 0.64
08.06.2015
0 продаж
Готовый проект для Sony Vegas Pro - Loading 2
Купить
$ 0.63
09.10.2024
1 продажа
????Рефералы на проект AiDogs Bot дешево быстро
Купить
$ 0.48
16.10.2024
0 продаж
????Рефералы на проект телеграмм Tonee Mine to Earn
Купить
$ 0.41
08.12.2024
13 продаж
????Рефералы на проект телеграмм Clayton bot дешево
Купить
$ 0.41
05.08.2024
0 продаж
????Рефералы на проект Iquiz Master Bot дешево быстро
Купить
$ 0.47
03.08.2024
12 продаж
????Рефералы на проект Bcoin 2048 дешево быстро! Купить
Купить
$ 0.42
20.07.2024
1 продажа
????Рефералы на проект addex дешево быстро! Купить
Купить
$ 0.3
03.11.2024
10 продаж
⭐️Рефералы на проект Major ⭐️
Купить
$ 0.27
08.03.2013
25 продаж
DLEBridge phpBB 3.0.x-DLE 9.x мост(интеграция) UTF-8
Купить
$ 4.5
10.08.2025
0 продаж
FH-2 Проект каркасного дома/ плита/ терраса/ 160,6 кв²
Купить
$ 163.71
1 отзыв