USSR SHOP »
Магазин » Чертежи на изгот-ние ящика управления вентиляторм 55кВт
Купить Чертежи на изгот-ние ящика управления вентиляторм 55кВт
Обновлено: 2025-12-12 03:26:28
$ 1.13
0 продаж
Всего продаж: 0
✅ Методы оплаты:
Описание товара:
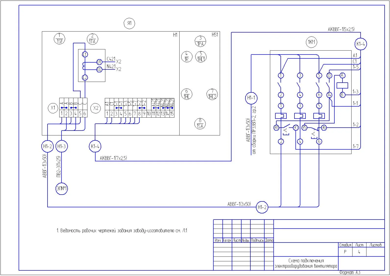
Задание заводу-изготовителю на изготовление ящика Я1. Пост местного управления. Состав задания -ведомость чертежей, технические данные аппаратов, чертеж общего вида, перечень надписей, схема электрическая соединений внутри ящика. Кроме того, добавлены: схема внешнего подключения электрооборудования вентилятора, принципиальная схема управления вентилятором. Объем всех листов - 1,5 условных листа формата А1. Состав ящика: Автоматический выключатель оперативных цепей, переключатель, светодиоды (включен, отключен, авария), трансформатор тока, амперметр.
Установка пускателя, контактора в отдельном помещении щитовой. Установка Я1 - по месту. Схема с самозапуском.
Установка пускателя, контактора в отдельном помещении щитовой. Установка Я1 - по месту. Схема с самозапуском.
Изображения:
Вас могут заинтересовать:
24.01.2008
48 продаж
Скрипт системы управления рейтингом сайтов + БОНУС
Купить
$ 0.66
28.08.2010
11 продаж
Информационные технологии управления
Купить
$ 1.27
10.10.2023
1 продажа
Устройство для быстрого пиления дров. Чертежи.
Купить
$ 5
20.05.2015
2 продажи
Как остаться с правами, если лишают права управления ТС
Купить
$ 3
13.10.2016
3 продажи
Задание 3. Методы управления образовательными учреждени
Купить
$ 1.95
29.01.2017
2 продажи
3 проекта. Технологии управления образовательной орга
Купить
$ 6.41
13.10.2016
2 продажи
Задание 2. Методы управления образовательными учреждени
Купить
$ 2.53
08.05.2017
1 продажа
ДВФУ Опыт зарубежного управления.
Купить
$ 4.6
20.10.2011
2 продажи
Теория Управления лекции
Купить
$ 1.18
02.12.2017
0 продаж
Системы и модели управления запасами. 3 вопроса.
Купить
$ 5.75
17.01.2010
1 продажа
Организационная структура управления на предприятиях
Купить
$ 10
01.12.2017
0 продаж
Контрольная работа №2. Автоматизация управления жизне
Купить
$ 3.91
31.03.2017
0 продаж
Контрольная работа. Основы управления проектами. 3 вопр
Купить
$ 7.38
16.02.2009
0 продаж
3855. Теория автоматизированного управления
Купить
$ 6
13.03.2008
2 продажи
Чертежи дроболейки для литья охотничьей дроби в домашних условиях.
Купить
$ 18
20.02.2010
0 продаж
Итоговый экз. РФЭИ Исследование систем управления 50 в
Купить
$ 2.2
10.01.2017
2 продажи
Социология управления контрольная с ответами, 10 вопр.
Купить
$ 0.85
Более 10 лет
0 продаж
Скрипты CMS (системы управления сайтом) за 2005, более 500 скриптов всего за $4
Купить
$ 4
22.06.2012
1 продажа
Исследование систем управления тест
Купить
$ 1.19
12.05.2019
1 продажа
Организация управления проектами.Тест Синергия
Купить
$ 3.17
04.09.2016
0 продаж
Стедикам чертежи
Купить
$ 2.57
22.04.2014
0 продаж
Руководитель территориального управления Федеральной сл
Купить
$ 2
19.11.2016
0 продаж
Документационное обеспечение управления.(ДВФУ)
Купить
$ 1.22
22.08.2018
0 продаж
Курсовая Теория управления 2018 с антиплагиатом
Купить
$ 6.39
24.04.2019
0 продаж
чертежи детского электро багги
Купить
$ 3.8
02.09.2016
0 продаж
Формирование организационной структуры управления (2015
Купить
$ 5
30.09.2016
0 продаж
Сравнительный анализ информационных систем управления э
Купить
$ 1.5
17.09.2025
0 продаж
Чертежи болтового и шпилечного соединения М20
Купить
$ 1.6
23.01.2009
0 продаж
Финансовые аспекты управления банковскими рисками»2009
Купить
$ 0.2
03.11.2016
0 продаж
Тест Исследование систем управления
Купить
$ 1.14
28.07.2015
0 продаж
Башня Рожновского 26 м утепленная чертежи КМД
Купить
$ 1.95
12.07.2025
16 продаж
Eve Blueprint - чертежи кораблей честные цены RPGcash
Купить
$ 0.05
29.03.2013
6 продаж
Информационные системы управления код (ИН 93)
Купить
$ 0.63
24.06.2021
0 продаж
ДВФУ WEBDidactor Основы теории управления - 2 вопроса #2433
Купить
$ 0.53
24.06.2021
0 продаж
ДВФУ WEBDidactor Основы теории управления - 2 вопроса #2459
Купить
$ 0.53
24.06.2021
0 продаж
ДВФУ WEBDidactor Экономика управления персоналом - 2 вопроса #2681
Купить
$ 0.53
24.06.2021
0 продаж
ДВФУ WEBDidactor Теория управления - 2 вопроса #2441
Купить
$ 0.53
27.06.2021
0 продаж
ДВФУ WEBDidactor Основы управления персоналом - 2 вопроса #3610
Купить
$ 0.53
27.06.2021
0 продаж
ДВФУ WEBDidactor Основы управления персоналом - 2 вопроса #3602
Купить
$ 0.53
27.06.2021
0 продаж
ДВФУ WEBDidactor Основы управления персоналом - 2 вопроса #3715
Купить
$ 0.53
27.06.2021
0 продаж
ДВФУ WEBDidactor Основы управления персоналом - 2 вопроса #3792
Купить
$ 0.32
29.06.2021
0 продаж
ДВФУ WEBDidactor Организационные системы в сфере государственного и муниципального управления - 2 во
Купить
$ 0.32
28.06.2021
0 продаж
ДВФУ WEBDidactor Основы государственного управления в зарубежных странах - 2 вопроса #4084
Купить
$ 0.53
29.06.2021
0 продаж
ДВФУ WEBDidactor Теория государственного и муниципального управления - 2 вопроса #4903
Купить
$ 0.53
18.09.2002
0 продаж
Программа управления программами с клавиатуры FastKey 2.0
Купить
$ 0.1
20.09.2025
637 продаж
TF2 KEY - Ключ от ящика Манн Ко
Купить
$ 1.95
22.09.2025
1 продажа
Ключ от ящика Манн Ко тф-2 пополнить стим дешёво тф2
Купить
$ 2.17
11.07.2005
1 продажа
Чертежи-развертка советского автомобиля ЗИС-42
Купить
$ 1
04.03.2007
0 продаж
ГОСТ 21.613-88 СИЛОВОЕ ЭЛЕКТРООБОРУДОВАНИЕ Рабочие чертежи
Купить
$ 0.5
20.05.2014
4 продажи
Теория управления недвижимостью
Купить
$ 1.92