USSR SHOP »
Магазин »
Электронные книги »
Наука и образование »
Конспекты, шпаргалки » Задача Д2 Вариант 15 (рис. 1 усл. 5) теормех Тарг 1988
Купить Задача Д2 Вариант 15 (рис. 1 усл. 5) теормех Тарг 1988
Всего продаж: 1
✅ Методы оплаты: 











Описание товара:
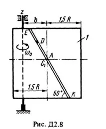
Решение задачи Д2 Вариант 15 по теормеху из задачника Тарга С.М. 1988 г.. Ознакомьтесь с условием задачи из Динамика 2 (стр. 36 в методичке Тарг С.М.): Механическая система состоит из прямоугольной вертикальной плиты 1 массой m1 = 24 кг и груза D массой m2 = 8 кг; плита или движется вокруг горизонтальных направляющий (рис. Д2.0-Д2.4), или вращается вокруг вертикальной оси z? лежащей в плоскости плиты (рис. Д2.5-Д2.9) В момент времени t0 = 0 груз начинает двигаться под действием внутренних сил по имеющемуся на плите желобу; закон его движения s = AD = F(t) задан в табл. Д2, где s выражено в метрах, t – в секундах. Форма желоба на рис. Д2.0, Д2.1, Д2.8, Д2.9 – прямолинейная (желоб КЕ), на рис. Д2.2-Д2.7 – окружность радиуса R = 0,8м с центром в центре масс C1 плиты (s = AD на рис. Д2.2 - Д2.7 отсчитывается по дуге окружности). Плита (рис. Д2.0-Д2.4) имеет в момент t0 = 0 скорость v0 = 0. Плита (рис Д2.5-Д2.9) имеет в момент времени t0 = 0 угловую скорость w0 = 8 с-1, и в этот момент на нее начинает действовать вращательный момент М (момент относительно оси), заданный в таблице в ньютонометрах и направленный как w0 при М > 0 и в противоположную сторону при М < 0. Ось z проходит от центра C1 плиты на расстоянии b; размеры плиты показаны на рисунках. Считая грузы материальной точкой и пренебрегая всеми сопротивлениями, определить указанное в таблице в столбцах 4 и 9, где обозначено: в столбце 4 (относится к рис. Д2.0-Д2.4) xi – перемещение плиты за время от t0 = 0 до ti = i с, v – скорость плиты в момент времени t1 = 1 с, N – полная сила нормального давления плиты на направляющие в момент времени t = 1 с (указать, куда сила направлена); в столбце 9 (относится к рис. 5-9) w1 – угловая скорость плиты в момент времени t1 = 1 с, w = f(t) – угловая скорость плиты как функция времени. На всех рисунках груз показан в положении, при котором s = AD > 0; при x < 0 груз находится по другую сторону от точки А.
Сразу после оплаты Вы получите качественное, проверенное решение задачи Д2 В15 (рисунок 1 условие 5) по термеху из решебника Тарга С.М. 1988 года для заочников. Решение выполнено по методическим указаниям и контрольным заданиям для студентов-заочников энергетических и других специальностей ВУЗов. Решение оформлено в формате word, упаковано в архив zip. Также решение входит в состав товара с оптовой скидкой: "Тарг С.М. 1988 решение 10-ти задач вариант 14".
Буду очень рад, если после успешной сдачи решения Вы вернетесь на сайт и оставите положительный отзыв. Поверьте, для меня это очень Важно.
Заранее спасибо.
Сразу после оплаты Вы получите качественное, проверенное решение задачи Д2 В15 (рисунок 1 условие 5) по термеху из решебника Тарга С.М. 1988 года для заочников. Решение выполнено по методическим указаниям и контрольным заданиям для студентов-заочников энергетических и других специальностей ВУЗов. Решение оформлено в формате word, упаковано в архив zip. Также решение входит в состав товара с оптовой скидкой: "Тарг С.М. 1988 решение 10-ти задач вариант 14".
Буду очень рад, если после успешной сдачи решения Вы вернетесь на сайт и оставите положительный отзыв. Поверьте, для меня это очень Важно.
Заранее спасибо.