USSR SHOP »
Магазин »
Электронные книги »
Наука и образование »
В помощь студенту » Решение С2-44 (Рисунок С2.4 условие 4 С.М. Тарг 1988 г)
Купить Решение С2-44 (Рисунок С2.4 условие 4 С.М. Тарг 1988 г)
Обновлено: 2025-10-23 06:28:42
$ 0.61
1 продажа
Всего продаж: 1
✅ Методы оплаты: 












Описание товара:
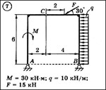
Решение С2-44 (Рисунок С2.4 условие 4 С.М. Тарг 1988 г)
Однородная прямоугольная плита весом P = 5 кН со сторонами AB = 3l, BC = 2l закреплена в точке А сферическим шарниром (подшипником) и удерживается в равновесии невесомым стержнем CC' (рис. С2.0 – С2.9). На плиту действуют пара сил с моментом M = 6 кН·м, лежащая в плоскости плиты, и две силы. Значения этих сил, их направления и точки приложения указаны в табл. С2; при этом силы F1 и F4 лежат в плоскостях, параллельных плоскости xy, сила F2 – в плоскости, параллельной xz, сила F3 – в плоскости, параллельной yz. Точки приложения сил (D, E, H) находятся в серединах сторон плиты. Определить реакции связей в точках A, B и C. При подсчетах принять l = 0,8 м.
Однородная прямоугольная плита весом P = 5 кН со сторонами AB = 3l, BC = 2l закреплена в точке А сферическим шарниром (подшипником) и удерживается в равновесии невесомым стержнем CC' (рис. С2.0 – С2.9). На плиту действуют пара сил с моментом M = 6 кН·м, лежащая в плоскости плиты, и две силы. Значения этих сил, их направления и точки приложения указаны в табл. С2; при этом силы F1 и F4 лежат в плоскостях, параллельных плоскости xy, сила F2 – в плоскости, параллельной xz, сила F3 – в плоскости, параллельной yz. Точки приложения сил (D, E, H) находятся в серединах сторон плиты. Определить реакции связей в точках A, B и C. При подсчетах принять l = 0,8 м.
Изображения:
Вас могут заинтересовать:

14.04.2016
64 продажи
Решение задачи 3.2.9 из сборника Кепе О.Э.
Купить
$ 0.59
21.04.2016
50 продаж
Решение задачи 18.3.23 из сборника Кепе О.Э.
Купить
$ 0.74

02.11.2015
45 продаж
Решение задачи С2 Вариант 14 Диевский В.А., Малышева ИА
Купить
$ 0.63
06.12.2016
25 продаж
Решение 18.3.11 из сборника (решебника) Кепе О.Е. 1989
Купить
$ 0.79

08.11.2016
24 продажи
Решение задачи 2.3.16 из сборника Кепе О.Е. 1989 года
Купить
$ 0.63

20.04.2016
19 продаж
Решение задачи 13.6.13 из сборника Кепе О.Э.
Купить
$ 0.74

15.04.2016
17 продаж
Решение задачи 6.1.13 из сборника Кепе О.Э.
Купить
$ 0.59

13.03.2016
15 продаж
Решение задачи 2.2.19 из сборника Кепе О.Э.
Купить
$ 0.59

14.04.2016
13 продаж
Решение задачи 2.6.11 из сборника Кепе О.Э.
Купить
$ 0.59

11.11.2016
12 продаж
Решение задачи 7.2.5 из сборника Кепе О.Е. 1989 года
Купить
$ 0.63

17.11.2017
11 продаж
Решение задачи 20.4.8 из сборника Кепе О.Э.
Купить
$ 0.59

16.11.2016
7 продаж
История государства и права зарубежных стран(89)(ОЮИ)
Купить
$ 0.97

21.04.2016
5 продаж
Решение задачи 17.3.30 из сборника Кепе О.Э.
Купить
$ 0.59
28.05.2022
5 продаж
Психотехника профессионального общения.Тест Синергия
Купить
$ 2.46

07.04.2017
2 продажи
Практическое задание №3. Педагогика.
Купить
$ 2.93

27.06.2016
3 продажи
Решение задачи 5.4.13 из сборника Кепе О.Э.
Купить
$ 0.59

07.06.2023
0 продаж
Кейс ситуационный практикум по теме 3 и 4 инвестиции
Купить
$ 5.86

03.02.2009
2 продажи
Математика 1457.01 3 вариант
Купить
$ 1.38

16.08.2022
2 продажи
Финансовая грамотность.Тест Синергия 2022г (100 баллов)
Купить
$ 2.44

19.08.2009
1 продажа
Задача 02100120-0500-0002 (решение от ElektroHelp)
Купить
$ 0.79

18.09.2020
1 продажа
Решение самостоятельной работы 1 вариант 28 Сетков В.И.
Купить
$ 0.98
26.04.2016
1 продажа
Решение К4-66 (Рисунок К4.6 условие 6 С.М. Тарг 1989 г)
Купить
$ 0.62

23.05.2016
1 продажа
Задача С4 вариант 59, решебник термех Тарг С.М. 1982 г
Купить
$ 0.63

23.03.2018
1 продажа
Банковское дело.Тест Синергия
Купить
$ 2.44

09.04.2021
1 продажа
Решение задачи С3 вариант 7 (С3-07) - Диевский В.А.
Купить
$ 0.59

18.02.2023
0 продаж
Финансовое планирование и прогнозирование (тест с ответ
Купить
$ 3.07

15.08.2023
0 продаж
Анализ риска и планирование непредвиденных расходов
Купить
$ 0.98
18.07.2013
3 продажи
Решение К1 Вариант 22 (рис. 2 усл. 2) термех Тарг 1988
Купить
$ 0.8

01.06.2016
2 продажи
Задача 13.20 из раздела 11 УМФ автор Кузнецов Л.А. 2005
Купить
$ 0.46

20.02.2019
0 продаж
Решение задачи №9-3 по Экономике отрасли
Купить
$ 0.49
31.05.2017
6 продаж
Задача 11.17 из раздела 11 УМФ автор Кузнецов Л.А. 2005
Купить
$ 0.58

10.12.2018
0 продаж
Акционерное общество «Прогресс» передало в аренду
Купить
$ 0.16

28.03.2020
0 продаж
Анисимова обратилась в суд с иском к Кошелеву
Купить
$ 0.2

10.01.2020
0 продаж
Гражданин США Ф. во время отдыха в России
Купить
$ 0.2

13.04.2020
0 продаж
В суд обратилась Ильина, уволенная
Купить
$ 0.2

19.06.2021
0 продаж
ДВФУ WEBDidactor Правоведение - 2 вопроса #570
Купить
$ 0.32

19.06.2021
0 продаж
ДВФУ WEBDidactor Финансовое право - 2 вопроса #559
Купить
$ 0.32

19.06.2021
0 продаж
ДВФУ WEBDidactor Мировая экономика и международные экономические отношения - 2 вопроса #732
Купить
$ 0.53

22.06.2021
0 продаж
ДВФУ WEBDidactor Региональное управление и территориальное планирование - 2 вопроса #1495
Купить
$ 0.53

22.06.2021
0 продаж
ДВФУ WEBDidactor Государственная и муниципальная служба - 2 вопроса #1735
Купить
$ 0.32

22.06.2021
0 продаж
ДВФУ WEBDidactor Региональное управление и территориальное планирование - 2 вопроса #1514
Купить
$ 0.53

22.06.2021
0 продаж
ДВФУ WEBDidactor Инвестиции - 2 вопроса #1421
Купить
$ 0.32

24.06.2021
0 продаж
ДВФУ WEBDidactor Основы теории управления - 2 вопроса #3957
Купить
$ 0.53

27.06.2021
0 продаж
ДВФУ WEBDidactor Управление качеством гостиничных услуг - 2 вопроса #3526
Купить
$ 0.53

27.06.2021
0 продаж
ДВФУ WEBDidactor Основы управления персоналом - 2 вопроса #3603
Купить
$ 0.53

29.06.2021
0 продаж
ДВФУ WEBDidactor Правовое сопровождение местного самоуправления - 2 вопроса #4787
Купить
$ 0.32

28.06.2021
0 продаж
ДВФУ WEBDidactor Инновационный менеджмент - 2 вопроса #4144
Купить
$ 0.32

01.02.2013
0 продаж
Контрольная Логика вариант 3
Купить
$ 0.98

29.06.2021
0 продаж
ДВФУ WEBDidactor Проектирование и экспертиза образовательных систем - 2 вопроса #5326
Купить
$ 0.32

29.03.2012
16 продаж
МЭИ Русский язык и культура речи Тест
Купить
$ 1