USSR SHOP »
Магазин »
Электронные книги »
Наука и образование »
В помощь студенту » Решение задачи 17.4.19 из сборника Кепе О.Э.
Купить Решение задачи 17.4.19 из сборника Кепе О.Э.
Обновлено: 2025-12-16 03:02:49
$ 0.77
7 продаж
Всего продаж: 7
✅ Методы оплаты: 












Описание товара:
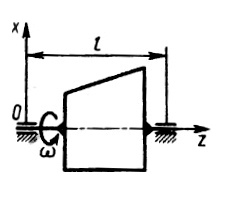
17.4.19
Тонкая пластина вращается с постоянной угловой скоростью ω = 60 рад/с. Еe центр масс расположен на оси вращения, а центробежный момент инерции относительно координатных осей в плоскости пластины IХZ = 2 • 10-3 кг•м2. Определить динамическую реакцию подшипника О, если l = 0,2 м. (Ответ 36)
Тонкая пластина вращается с постоянной угловой скоростью ω = 60 рад/с. Еe центр масс расположен на оси вращения, а центробежный момент инерции относительно координатных осей в плоскости пластины IХZ = 2 • 10-3 кг•м2. Определить динамическую реакцию подшипника О, если l = 0,2 м. (Ответ 36)
Изображения:
Вас могут заинтересовать:
19.03.2010
42 продажи
Итоговый экзамен РФЭИ Отечественная история 100 в. нов.
Купить
$ 2.2
14.04.2016
40 продаж
Решение задачи 2.4.29 из сборника Кепе О.Э.
Купить
$ 0.75
14.04.2016
27 продаж
Решение задачи 2.6.13 из сборника Кепе О.Э.
Купить
$ 0.75
08.11.2016
18 продаж
Решение задачи 1.2.14 из сборника Кепе О.Е. 1989 года
Купить
$ 0.84
26.11.2016
15 продаж
Решение задачи 14.6.10 из сборника Кепе О.Е. 1989 года
Купить
$ 0.79
12.11.2016
12 продаж
Решение задачи 9.2.11 из сборника Кепе О.Е. 1989 года
Купить
$ 0.81
15.12.2016
11 продаж
Решение К5 В06 термех из решебника Яблонский АА 1978 г
Купить
$ 0.79
09.06.2017
7 продаж
Решение задачи 17.1.8 из сборника Кепе О.Э.
Купить
$ 0.79
29.11.2016
5 продаж
Решение задачи 16.1.7 из сборника Кепе О.Е. 1989 года
Купить
$ 0.84
14.02.2022
0 продаж
Оценка инвестиционной привлекательности бизнеса, МЭБИК
Купить
$ 3.76
06.05.2018
3 продажи
Технология обработки изобразительной информации(ДВФУ)
Купить
$ 1.25
02.03.2022
0 продаж
Физиология. Задание №1
Купить
$ 4.47
09.07.2019
0 продаж
КР. Медиапланирование.
Купить
$ 6.36
02.06.2016
2 продажи
Решение Д6-02 (Рисунок Д6.0 условие 2 С.М. Тарг 1989 г)
Купить
$ 0.63
19.01.2021
2 продажи
Технологии деловых коммуникаций.Тест Синергия 2021г
Купить
$ 4.39
05.02.2014
0 продаж
Тест Концепции микро и макромира
Купить
$ 1.28
26.04.2016
1 продажа
Решение К2-69 (Рисунок К2.6 условие 9 С.М. Тарг 1989 г)
Купить
$ 0.64
14.11.2019
1 продажа
Решение 23.2.8 из сборника (решебника) Кепе О.Е. 1989
Купить
$ 1.01
06.11.2018
1 продажа
Тайм менеджмент.Тест Синергия
Купить
$ 3.25
13.04.2021
1 продажа
Решение задачи Д2 вариант 20 (Д2-20) - Диевский В.А.
Купить
$ 0.77
16.01.2025
0 продаж
Чертеж " Лит. маш. Ferromatik Milacron Elektron 50-55"
Купить
$ 8
07.07.2025
0 продаж
Инновационные технологии преподавания психологии ответы
Купить
$ 3.15
25.02.2023
0 продаж
Корпоративные финансы.Тест Синергия 2023г (90 баллов)
Купить
$ 3.14
26.02.2021
0 продаж
Ответ на вопрос №191 из контр.раб.1 по Строительству жд
Купить
$ 0.66
17.11.2020
0 продаж
Ответ на вопрос №15 сб.2 Технология геодезических работ
Купить
$ 0.66
19.07.2013
2 продажи
Решение задачи К3 Вариант 17 (рис. 1 усл. 7) Тарг 1988
Купить
$ 0.8
06.10.2013
1 продажа
Управленческий учёт, вариант 8
Купить
$ 9.2
19.11.2018
1 продажа
Судьбина шла на работу через парк
Купить
$ 0.19
10.01.2020
2 продажи
В июле 1997 г. президент Австрии высказал идею
Купить
$ 0.25
29.03.2020
0 продаж
Сотрудниками правоохранительных органов была проведена
Купить
$ 0.26
15.04.2020
0 продаж
К., работая забойщиком скота на мясокомбинате
Купить
$ 0.25
18.06.2021
0 продаж
ДВФУ WEBDidactor Экономика государственного и муниципального сектора - 2 вопроса #4847
Купить
$ 0.53
19.06.2021
0 продаж
ДВФУ WEBDidactor Трудовое право - 2 вопроса #526
Купить
$ 0.32
21.06.2021
0 продаж
ДВФУ WEBDidactor Основы маркетинга - 2 вопроса #5254
Купить
$ 0.53
21.06.2021
0 продаж
ДВФУ WEBDidactor Налоги и налогообложение - 2 вопроса #2606
Купить
$ 0.53
20.06.2021
0 продаж
ДВФУ WEBDidactor Основы корпоративных финансов - 2 вопроса #1051
Купить
$ 0.53
20.06.2021
0 продаж
ДВФУ WEBDidactor Оценка собственности - 2 вопроса #869
Купить
$ 0.53
21.06.2021
0 продаж
ДВФУ WEBDidactor Информационные технологии в профессиональной деятельности - 2 вопроса #5488
Купить
$ 0.32
23.06.2021
0 продаж
ДВФУ WEBDidactor Организация управленческого труда - 2 вопроса #3765
Купить
$ 0.53
24.06.2021
0 продаж
ДВФУ WEBDidactor Введение в дисциплинарные картины мира - 2 вопроса #2777
Купить
$ 0.32
25.06.2021
0 продаж
ДВФУ WEBDidactor Компьютерное обеспечение расчетов по труду - 2 вопроса #2988
Купить
$ 0.32
27.06.2021
0 продаж
ДВФУ WEBDidactor Сетевая экономика - 2 вопроса #3860
Купить
$ 0.53
25.06.2021
0 продаж
ДВФУ WEBDidactor Рынок труда - 2 вопроса #3788
Купить
$ 0.32
27.06.2021
0 продаж
ДВФУ WEBDidactor Сетевая экономика - 2 вопроса #3856
Купить
$ 0.53
28.06.2021
0 продаж
ДВФУ WEBDidactor Практика государственного и муниципального управления в зарубежных странах - 2 вопр
Купить
$ 0.53
28.06.2021
0 продаж
ДВФУ WEBDidactor Инвестиционный менеджмент - 2 вопроса #4120
Купить
$ 0.32
29.06.2021
0 продаж
ДВФУ WEBDidactor Государственные и муниципальные земельные ресурсы - 2 вопроса #4722
Купить
$ 0.53
29.06.2021
0 продаж
ДВФУ WEBDidactor Риторика и академическое письмо - 2 вопроса #5044
Купить
$ 0.32
29.06.2021
0 продаж
ДВФУ WEBDidactor Практикум по сурдопереводу - 2 вопроса #5408
Купить
$ 0.53
28.01.2011
27 продаж
Итоговый экзамен РФЭИ "Поведение потребителей" 50 в.
Купить
$ 4