USSR SHOP »
Магазин »
Электронные книги »
Наука и образование »
В помощь студенту » Диевский В.А. - Решение задачи Д7 вариант 10 задание 1
Купить Диевский В.А. - Решение задачи Д7 вариант 10 задание 1
Обновлено: 2025-10-23 09:12:43
$ 0.73
4 продажи
Всего продаж: 4
✅ Методы оплаты: 












Описание товара:
Д7-10 (Задание 1) Диевский
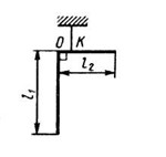
Для приведенной на схеме механической системы определить собственную частоту колебаний. Механическая система, показанная на схеме в положении равновесия, может совершать свободные колебания, вращаясь вокруг горизонтальной оси z, проходящей через неподвижную точку O. Система состоит из жестко скрепленных друг с другом тел: тонких однородных стержней 1 и 2 или однородной пластины 3 и точечного груза 4. Масса 1 м длины стержней равна 25 кг, масса 1 м2 площади пластины - 50 кг, масса точечного груза - 20 кг. Упругие элементы имеют коэффициент жесткости c = 10кН/м. Размеры частей системы указаны в метрах.
Для приведенной на схеме механической системы определить собственную частоту колебаний. Механическая система, показанная на схеме в положении равновесия, может совершать свободные колебания, вращаясь вокруг горизонтальной оси z, проходящей через неподвижную точку O. Система состоит из жестко скрепленных друг с другом тел: тонких однородных стержней 1 и 2 или однородной пластины 3 и точечного груза 4. Масса 1 м длины стержней равна 25 кг, масса 1 м2 площади пластины - 50 кг, масса точечного груза - 20 кг. Упругие элементы имеют коэффициент жесткости c = 10кН/м. Размеры частей системы указаны в метрах.
Изображения:
Вас могут заинтересовать:
08.06.2017
103 продажи
Решение задачи 11.5.2 из сборника Кепе О.Э.
Купить
$ 0.73

29.06.2021
44 продажи
Решение задачи 1.2.20 из сборника Кепе О.Э.
Купить
$ 0.59

21.04.2016
40 продаж
Решение задачи 18.3.5 из сборника Кепе О.Э.
Купить
$ 0.59

23.03.2008
25 продаж
Итоговый экзамен РФЭИ Основы аудита 200 вопросов
Купить
$ 1.37
20.08.2020
24 продажи
Маркетинг. Ответы Синергия тест 80/100
Купить
$ 1.85

15.04.2016
21 продажа
Решение задачи 6.1.4 из сборника Кепе О.Э.
Купить
$ 0.59

30.05.2010
17 продаж
Итоговый экзамен РФЭИ Математика 100 вопросов
Купить
$ 5

08.11.2016
21 продажа
Решение задачи 1.2.19 из сборника Кепе О.Е. 1989 года
Купить
$ 0.63

03.06.2020
16 продаж
Решение самостоятельной работы 4 вариант 8 Сетков В.И.
Купить
$ 0.98
15.12.2016
17 продаж
Решение К5 В19 термех из решебника Яблонский АА 1978 г
Купить
$ 0.77
26.11.2015
15 продаж
Решение задачи Д3 Вариант 15 (задание 1, 2) Диевский ВА
Купить
$ 1.44

04.12.2015
12 продаж
Решение задачи Д6 Вариант 15 Диевский В.А. Малышева ИА
Купить
$ 0.63

15.04.2016
11 продаж
Решение задачи 7.6.10 из сборника Кепе О.Э.
Купить
$ 0.59

11.11.2016
10 продаж
Решение задачи 9.1.5 из сборника Кепе О.Е. 1989 года
Купить
$ 0.63

23.01.2017
9 продаж
Решение задачи 13.5.12 из сборника Кепе О.Э.
Купить
$ 0.59

15.03.2016
9 продаж
Решение задачи 9.1.9 из сборника Кепе О.Э.
Купить
$ 0.59
28.03.2021
2 продажи
Образовательные технологии овладения младшими школьника
Купить
$ 1.84

01.11.2018
0 продаж
Силовые кабели (Презентация PowerPoint)
Купить
$ 1

02.12.2016
3 продажи
Решение задачи 17.1.21 из сборника Кепе О.Е. 1989 года
Купить
$ 0.63

14.01.2017
2 продажи
Гражданское право часть 1 Контрольная 2 МУ им.Витте
Купить
$ 1.95

09.10.2020
1 продажа
Решение самостоятельной работы 2 вариант 16 Сетков В.И.
Купить
$ 0.98
25.05.2016
1 продажа
Решение Д2-22 (Рисунок Д2.2 условие 2 С.М. Тарг 1988 г)
Купить
$ 0.62

26.04.2016
1 продажа
Решение К2-14 (Рисунок К2.1 условие 4 С.М. Тарг 1989 г)
Купить
$ 0.49
06.06.2016
1 продажа
Решение задачи Д1 В 24, решебник термех Тарг С.М. 1982
Купить
$ 0.79

07.03.2017
1 продажа
C8 Вариант 23 термех из решебника Яблонский А.А. 1978 г
Купить
$ 0.62

27.02.2021
0 продаж
Ответ на вопрос №98 из контр.раб.1 по Строительству ж/д
Купить
$ 0.62
22.07.2013
3 продажи
Решение задачи Д3 В32 (рис. 3 усл. 2) термех Тарг 1988
Купить
$ 0.8

19.11.2018
0 продаж
Х. приобрел автомобиль на взятый в банке кредит
Купить
$ 0.15

10.01.2020
1 продажа
Во время операции по вытеснению противника
Купить
$ 0.2

28.03.2020
0 продаж
В 2000 году Кошкина родила ребенка
Купить
$ 0.2

10.01.2020
0 продаж
В соответствии с условиями контракта испанская фирма
Купить
$ 0.2

13.04.2020
1 продажа
По решению Правительства автономного округа
Купить
$ 0.2

16.06.2020
0 продаж
Решение Д19-22 методом Лагранжа из сборника Яблонского
Купить
$ 0.24

14.04.2020
0 продаж
Старший специалист дирекции фирмы «Комсет»
Купить
$ 0.2

15.04.2020
0 продаж
Тракторист РСУ Белов по окончании рабочей смены
Купить
$ 0.2

21.06.2021
0 продаж
ДВФУ WEBDidactor Основы маркетинга - 2 вопроса #5189
Купить
$ 0.32

20.06.2021
0 продаж
ДВФУ WEBDidactor Маркетинговые исследования - 2 вопроса #881
Купить
$ 0.53

22.06.2021
0 продаж
ДВФУ WEBDidactor Рынок ценных бумаг и биржевое дело - 2 вопроса #1373
Купить
$ 0.32

22.06.2021
0 продаж
ДВФУ WEBDidactor Экономика предприятия - 2 вопроса #1595
Купить
$ 0.32

23.06.2021
0 продаж
ДВФУ WEBDidactor Информационные технологии в управлении - 2 вопроса #1944
Купить
$ 0.32

22.06.2021
0 продаж
ДВФУ WEBDidactor Государственная и муниципальная социальная политика - 2 вопроса #1438
Купить
$ 0.32

24.06.2021
0 продаж
ДВФУ WEBDidactor Инновационный менеджмент в управлении персоналом - 2 вопроса #2689
Купить
$ 0.53

23.06.2021
0 продаж
ДВФУ WEBDidactor Вычислительные системы, сети и телекоммуникации - 2 вопроса #2313
Купить
$ 0.32

24.06.2021
0 продаж
ДВФУ WEBDidactor Экономика и социология труда - 2 вопроса #2751
Купить
$ 0.32

25.06.2021
0 продаж
ДВФУ WEBDidactor Управленческие решения в туризме - 2 вопроса #2933
Купить
$ 0.53

25.06.2021
0 продаж
ДВФУ WEBDidactor Маркетинг в туристской индустрии - 2 вопроса #5138
Купить
$ 0.53

28.06.2021
0 продаж
ДВФУ WEBDidactor Практикум по решению профессиональных задач - 2 вопроса #5320
Купить
$ 0.32

29.06.2021
0 продаж
ДВФУ WEBDidactor Теория и методика развития речи - 2 вопроса #5340
Купить
$ 0.53

16.07.2021
0 продаж
ДВФУ WEBDidactor Корпоративные информацио - все ответы
Купить
$ 3.18

10.08.2022
0 продаж
Задача 9 Определить диаметр
Купить
$ 0.49