USSR SHOP »
Магазин »
Электронные книги »
Наука и образование »
В помощь студенту » Решение задачи Д7 (задание 1) Вариант 03 Диевский В.А.
Купить Решение задачи Д7 (задание 1) Вариант 03 Диевский В.А.
Всего продаж: 12
✅ Методы оплаты: 











Описание товара:
Термех Диевский В.А. задание 1 задача Динамика 7 (Д7) на тему «МАЛЫЕ КОЛЕБАНИЯ МЕХАНИЧЕСКИХ СИСТЕМ»:
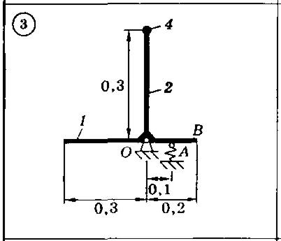
Д7 ЗАДАНИЕ 1 - СВОБОДНЫЕ КОЛЕБАНИЯ: Для приведенных на схемах 1-30 механических систем определить собственную частоту колебаний. Механические системы, показанные на схемах в положении равновесия, могут совершать свободные колебания, вращаясь вокруг горизонтальной оси z, проходящей через неподвижную точку О. Системы состоят из жестко скрепленных друг с другом тел: тонких однородных стержней 1 и 2 или однородной пластины 3 и точечных грузов 4. Масса 1 м длины стержней равна 25 кг, масса 1 м2 площади пластины — 50 кг, масса точечного груза — 20 кг. Упругие элементы имеют коэффициент жесткости с = 10 кН/м. Размеры ча-стей системы указаны в метрах.
Решение задания 1 задачи Д7 схема №3
Cразу после оплаты Вы получите ссылку на архив с решением задания 1 задачи по теоретической механике Д7 В3 (схема3) из сборника заданий «теоретическая механика» Диевский В.А., Малышева И.А. 2009 года для студентов ВУЗов.
Задача выполнена в формате word (рукописное решение или набрано в ворде), запакована в архив zip (откроется на любом ПК).
После проверки решения буду очень признателен, если вы оставите положительный отзыв.
Д7 ЗАДАНИЕ 1 - СВОБОДНЫЕ КОЛЕБАНИЯ: Для приведенных на схемах 1-30 механических систем определить собственную частоту колебаний. Механические системы, показанные на схемах в положении равновесия, могут совершать свободные колебания, вращаясь вокруг горизонтальной оси z, проходящей через неподвижную точку О. Системы состоят из жестко скрепленных друг с другом тел: тонких однородных стержней 1 и 2 или однородной пластины 3 и точечных грузов 4. Масса 1 м длины стержней равна 25 кг, масса 1 м2 площади пластины — 50 кг, масса точечного груза — 20 кг. Упругие элементы имеют коэффициент жесткости с = 10 кН/м. Размеры ча-стей системы указаны в метрах.
Решение задания 1 задачи Д7 схема №3
Cразу после оплаты Вы получите ссылку на архив с решением задания 1 задачи по теоретической механике Д7 В3 (схема3) из сборника заданий «теоретическая механика» Диевский В.А., Малышева И.А. 2009 года для студентов ВУЗов.
Задача выполнена в формате word (рукописное решение или набрано в ворде), запакована в архив zip (откроется на любом ПК).
После проверки решения буду очень признателен, если вы оставите положительный отзыв.