USSR SHOP »
Магазин »
Электронные книги »
Наука и образование »
В помощь абитуриенту » Решение задачи Д19-03 из сборника Яблонского А.А.
Купить Решение задачи Д19-03 из сборника Яблонского А.А.
Обновлено: 2025-10-23 10:47:23
$ 0.18
6 продаж
Всего продаж: 6
✅ Методы оплаты: 












Описание товара:
Задача Д19-03.tif
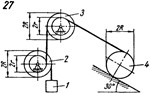
Для заданной механической системы определить ускорения грузов и натяжения в ветвях нитей, к которым прикреплены грузы. Массами нитей пренебречь. Трение качения и силы сопротивления в подшипниках не учитывать. Система движется из состояния покоя.
Варианты механических систем показаны на рис. 198 - 200, а необходимые для решения данные приведены в табл. 55.
Блоки и катки, для которых радиусы инерции в таблице не указаны, считать сплошными однородными цилиндрами.
Для заданной механической системы определить ускорения грузов и натяжения в ветвях нитей, к которым прикреплены грузы. Массами нитей пренебречь. Трение качения и силы сопротивления в подшипниках не учитывать. Система движется из состояния покоя.
Варианты механических систем показаны на рис. 198 - 200, а необходимые для решения данные приведены в табл. 55.
Блоки и катки, для которых радиусы инерции в таблице не указаны, считать сплошными однородными цилиндрами.
Изображения:
Вас могут заинтересовать:
16.01.2014
19 продаж
Теория менеджмента ответы на тест ОЮИ
Купить
$ 4.29

23.06.2014
16 продаж
Методика преодоления кризисных периодов развития детей
Купить
$ 3.42
04.01.2015
16 продаж
ЗАДАЧИ ПО ФИЗИКЕ С РЕШЕНИЕМ. ТЕРМОДИНАМИКА.
Купить
$ 1.17
08.08.2014
13 продаж
САМ СЕБЕ РЕПЕТИТОР. КИНЕМАТИКА.
Купить
$ 1.17
04.01.2015
13 продаж
ЗАДАЧИ ПО ФИЗИКЕ С РЕШЕНИЕМ. ЭЛЕКТРОСТАТИКА.
Купить
$ 1.17
09.01.2015
13 продаж
ЗАДАЧИ ПО ФИЗИКЕ С РЕШЕНИЕМ. ГЕОМЕТРИЧЕСКАЯ ОПТИКА.
Купить
$ 1.17
26.02.2016
10 продаж
Правовое обеспечение профессио деятельности колледж ОЮИ
Купить
$ 4.29
02.01.2015
12 продаж
ЗАДАЧИ ПО ФИЗИКЕ С РЕШЕНИЕМ. СТАТИКА.
Купить
$ 1.17

22.01.2004
11 продаж
Экономический факультет МГУ. Экзамен по Математике 2001
Купить
$ 11.1
09.01.2015
10 продаж
ЗАДАЧИ ПО ФИЗИКЕ С РЕШЕНИЕМ. ЭЛЕКТРОМАГНЕТИЗМ.
Купить
$ 1.47
26.07.2014
9 продаж
САМ СЕБЕ РЕПЕТИТОР. ДИНАМИКА.
Купить
$ 1.47
04.01.2015
9 продаж
ЗАДАЧИ ПО ФИЗИКЕ С РЕШЕНИЕМ. СВОЙСТВА ВЕЩЕСТВ.
Купить
$ 1.47
02.01.2015
8 продаж
ЗАДАЧИ ПО ФИЗИКЕ С РЕШЕНИЕМ. КОЛЕБАНИЯ И ВОЛНЫ.
Купить
$ 1.17
26.07.2014
8 продаж
САМ СЕБЕ РЕПЕТИТОР. СТАТИКА.
Купить
$ 1.47
26.07.2014
6 продаж
САМ СЕБЕ РЕПЕТИТОР. МОЛЕКУЛЯРНАЯ ФИЗИКА.
Купить
$ 1.17
26.07.2014
6 продаж
САМ СЕБЕ РЕПЕТИТОР. ГИДРАВЛИКА.
Купить
$ 1.47
26.07.2014
6 продаж
САМ СЕБЕ РЕПЕТИТОР. МАГНИТНОЕ ПОЛЕ.
Купить
$ 1.17
26.07.2014
6 продаж
САМ СЕБЕ РЕПЕТИТОР. ЭЛЕКТРОСТАТИКА.
Купить
$ 1.17

09.01.2015
6 продаж
ЗАДАЧИ ПО ФИЗИКЕ С РЕШЕНИЕМ. ТЕОРИЯ ОТНОСИТЕЛЬНОСТИ
Купить
$ 1.47

18.09.2024
0 продаж
Обществознание ответы МосАП тесты вступительный
Купить
$ 1.95

31.03.2011
2 продажи
Экономический Факультет МГУ. Экзамен по математике 2002
Купить
$ 10

15.09.2008
1 продажа
Социологический Факультет МГУ. Экзамен по Математике.
Купить
$ 20
12.03.2024
1 продажа
Назначение привода конвейера и маслостанци 5ВС - 15М
Купить
$ 18.37

09.01.2015
7 продаж
ЗАДАЧИ ПО ФИЗИКЕ С РЕШЕНИЕМ. ЭКСПЕРИМЕНТ И ПОГРЕШНОСТИ
Купить
$ 1.17

16.06.2020
3 продажи
Решение задачи Д19-12 из сборника Яблонского А.А.
Купить
$ 0.15
16.06.2020
3 продажи
Решение задачи Д19-30 из сборника Яблонского А.А.
Купить
$ 0.18

15.06.2020
3 продажи
Решение задачи Д19-04 из сборника Яблонского А.А.
Купить
$ 0.15

16.06.2020
1 продажа
Решение задачи Д19-26 из сборника Яблонского А.А.
Купить
$ 0.15
16.06.2020
5 продаж
Решение задачи Д19-15 из сборника Яблонского А.А.
Купить
$ 0.18

16.06.2020
2 продажи
Решение задачи Д19-23 из сборника Яблонского А.А.
Купить
$ 0.15

16.06.2020
1 продажа
Решение задачи Д19-11 из сборника Яблонского А.А.
Купить
$ 0.15

16.06.2020
1 продажа
Решение задачи Д19-14 из сборника Яблонского А.А.
Купить
$ 0.15

16.06.2020
4 продажи
Решение задачи Д19-13 из сборника Яблонского А.А.
Купить
$ 0.15

15.06.2020
1 продажа
Решение задачи Д19-05 из сборника Яблонского А.А.
Купить
$ 0.15

16.06.2020
6 продаж
Решение задачи Д19-08 из сборника Яблонского А.А.
Купить
$ 0.15

16.06.2020
2 продажи
Решение задачи Д19-16 из сборника Яблонского А.А.
Купить
$ 0.15

16.06.2020
4 продажи
Решение задачи Д19-18 из сборника Яблонского А.А.
Купить
$ 0.15
03.12.2020
5 продаж
Решение задачи Д19-09 из сборника Яблонского А.А.
Купить
$ 0.18
16.06.2020
1 продажа
Решение задачи Д19-22 из сборника Яблонского А.А.
Купить
$ 0.18
15.06.2020
5 продаж
Решение задачи Д19-01 из сборника Яблонского А.А.
Купить
$ 0.18
16.06.2020
5 продаж
Решение задачи Д19-07 из сборника Яблонского А.А.
Купить
$ 0.18

16.06.2020
3 продажи
Решение задачи Д19-21 из сборника Яблонского А.А.
Купить
$ 0.15

16.06.2020
0 продаж
Решение задачи Д19-10 из сборника Яблонского А.А.
Купить
$ 0.15

16.06.2020
1 продажа
Решение задачи Д19-19 из сборника Яблонского А.А.
Купить
$ 0.15

16.06.2020
0 продаж
Решение задачи Д19-20 из сборника Яблонского А.А.
Купить
$ 0.15

16.06.2020
0 продаж
Решение задачи Д19-27 из сборника Яблонского А.А.
Купить
$ 0.15

16.06.2020
0 продаж
Решение задачи Д19-29 из сборника Яблонского А.А.
Купить
$ 0.15