USSR SHOP »
Магазин »
Электронные книги »
Наука и образование »
В помощь студенту » Решение задачи С2 вариант 13 (С2-13) - Диевский В.А.
Купить Решение задачи С2 вариант 13 (С2-13) - Диевский В.А.
Обновлено: 2025-10-23 19:31:21

$ 0.59
-1 продаж
Всего продаж: -1
✅ Методы оплаты: 












Описание товара:
C2-13 Диевский
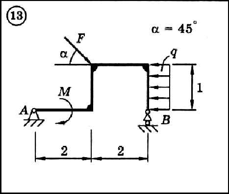
Для представленного на схеме тела определить реакции опор. Приведенные на схеме нагрузки имеют следующие величины: вес груза G = 10 кН, сила F = 10кН, момент пары сил М = 20 кНм, интенсивность распределенной силы q = 5 кН/м, а также qmax = 5 кН/м. Размеры указаны в метрах. Весом тела следует пренебречь.
Оформлено в .pdf
Для представленного на схеме тела определить реакции опор. Приведенные на схеме нагрузки имеют следующие величины: вес груза G = 10 кН, сила F = 10кН, момент пары сил М = 20 кНм, интенсивность распределенной силы q = 5 кН/м, а также qmax = 5 кН/м. Размеры указаны в метрах. Весом тела следует пренебречь.
Оформлено в .pdf
Изображения:
Вас могут заинтересовать:

11.04.2017
62 продажи
Решение задачи 19.2.9 из сборника Кепе О.Э.
Купить
$ 0.59

18.04.2016
42 продажи
Решение задачи 13.1.17 из сборника Кепе О.Э.
Купить
$ 0.59

14.04.2016
37 продаж
Решение задачи 2.4.49 из сборника Кепе О.Э.
Купить
$ 0.59

05.04.2009
19 продаж
Экзамен РФЭИ Риторика 70 вопросов
Купить
$ 2

22.06.2007
18 продаж
Итоговый экзамен РФЭИ Хозяйственное право
Купить
$ 1.37

14.12.2016
13 продаж
Задача К2 Вар. 18 термех из решебника Яблонский АА 1978
Купить
$ 0.62
14.12.2017
11 продаж
Диевский В.А. - Решение задачи Д6 вариант 4 (Д6-04)
Купить
$ 0.73

04.05.2017
5 продаж
Решение задачи 13.6.16 из сборника Кепе О.Э.
Купить
$ 0.59

22.03.2023
1 продажа
Кадровый документооборот тест Синергия ответы
Купить
$ 2.45

10.11.2016
3 продажи
Решение задачи 5.2.10 из сборника Кепе О.Е. 1989 года
Купить
$ 0.63

23.08.2023
0 продаж
ПРАКТИКУМ ПО РЕШЕНИЮ ЗАДАЧ №7
Купить
$ 2.93

09.10.2020
1 продажа
Решение самостоятельной работы 2 вариант 27 Сетков В.И.
Купить
$ 0.98
03.04.2016
2 продажи
Решение 21.2.3 из сборника (решебника) Кепе О.Е. 1989
Купить
$ 1.7

02.07.2020
0 продаж
Методы интенсификации притока в скважине
Купить
$ 6.12

14.11.2016
1 продажа
Трудовое право (2)(ОЮИ)
Купить
$ 0.97

06.05.2016
1 продажа
Решение К1-68 (Рисунок К1.6 условие 8 С.М. Тарг 1988 г)
Купить
$ 0.49
21.03.2019
1 продажа
Психология и педагогика игры.Тест Синергия
Купить
$ 3.06

30.07.2019
1 продажа
Психология детей младшего школьного возраста.Тест
Купить
$ 2.44
22.08.2019
1 продажа
Документационное обеспечение управления.Тест Синергия
Купить
$ 3.06
26.08.2021
0 продаж
Налогообложение организаций.Тест Синергия 2021 Сборник
Купить
$ 6

06.03.2024
0 продаж
Финансовое планирование и бюджетирование
Купить
$ 3.44

07.11.2020
0 продаж
Инженерно-техническая защита информации.Тест Синергия
Купить
$ 3.42
20.07.2021
0 продаж
Основы технологии машиностроения.Тест Синергия 2021г
Купить
$ 4.29

14.03.2023
0 продаж
Стратегическое государственное и муниципальное управлен
Купить
$ 3.43

27.09.2024
0 продаж
Техническая термодинамика.Тест Синергия/МТИ 2024г.
Купить
$ 2.44

18.11.2024
0 продаж
Международные валютно-кредитные и финансовые отношения
Купить
$ 3.06
01.05.2023
0 продаж
При нормировании технологической операции (обработка де
Купить
$ 1.84

24.01.2019
0 продаж
Решение задачи №49 Экономика отрасли
Купить
$ 0.49

01.02.2019
1 продажа
Решение задачи №32 Экономика отрасли
Купить
$ 0.49
31.05.2017
6 продаж
Задача 11.17 из раздела 11 УМФ автор Кузнецов Л.А. 2005
Купить
$ 0.58
25.05.2017
5 продаж
Задача 5.17 из раздела 11 УМФ автор Кузнецов Л.А. 2005
Купить
$ 0.58

03.04.2020
5 продаж
Решение задачи №7 из сборника №2 по Материаловедению
Купить
$ 0.49

30.09.2019
0 продаж
На гражданина Пучкова и на его 14-летнего сына
Купить
$ 0.21

31.10.2019
0 продаж
Личность в истории: нарком внутренних дел Л. П. Берия
Купить
$ 0.23

18.06.2021
0 продаж
ДВФУ WEBDidactor Бухгалтерский учет - 2 вопроса #163
Купить
$ 0.32

18.06.2021
0 продаж
ДВФУ WEBDidactor Антикризисное управление персоналом - 2 вопроса #2573
Купить
$ 0.53

21.06.2021
0 продаж
ДВФУ WEBDidactor Финансово-экономические расчеты - 2 вопроса #1128
Купить
$ 0.32

21.06.2021
0 продаж
ДВФУ WEBDidactor Налоги и налогообложение - 2 вопроса #1191
Купить
$ 0.32

21.06.2021
0 продаж
ДВФУ WEBDidactor Финансово-экономические расчеты - 2 вопроса #4404
Купить
$ 0.32

23.06.2021
0 продаж
ДВФУ WEBDidactor Государственная и муниципальная служба - 2 вопроса #1788
Купить
$ 0.32

22.06.2021
0 продаж
ДВФУ WEBDidactor Документирование управленческой деятельности - 2 вопроса #1919
Купить
$ 0.32

22.06.2021
0 продаж
ДВФУ WEBDidactor Бюджетная система РФ - 2 вопроса #5032
Купить
$ 0.32

23.06.2021
0 продаж
ДВФУ WEBDidactor Информационная безопасность - 2 вопроса #2147
Купить
$ 0.53

25.06.2021
0 продаж
ДВФУ WEBDidactor Организация гостиничного дела - 2 вопроса #4994
Купить
$ 0.53

25.06.2021
0 продаж
ДВФУ WEBDidactor Социальная политика государства и организации - 2 вопроса #3182
Купить
$ 0.53

24.06.2021
0 продаж
ДВФУ WEBDidactor Основы организации труда - 2 вопроса #2774
Купить
$ 0.53

25.06.2021
0 продаж
ДВФУ WEBDidactor Информационные технологии в управлении персоналом - 2 вопроса #3002
Купить
$ 0.32

25.06.2021
0 продаж
ДВФУ WEBDidactor Управленческий учет и учет персонала - 2 вопроса #2984
Купить
$ 0.32

27.06.2021
0 продаж
ДВФУ WEBDidactor Государственное регулирование экономики - 2 вопроса #3990
Купить
$ 0.53

16.07.2021
0 продаж
ДВФУ WEBDidactor Формирование профессиона - все ответы
Купить
$ 2.86