USSR SHOP »
Магазин »
Электронные книги »
Наука и образование »
В помощь студенту » Решение задачи 15.6.3 из сборника Кепе О.Э.
Купить Решение задачи 15.6.3 из сборника Кепе О.Э.
Обновлено: 2025-10-23 06:34:32

$ 0.73
102 продажи
Всего продаж: 102
✅ Методы оплаты: 












Описание товара:
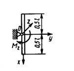
15.6.3
Телу с вертикальном неподвижной осью вращения сообщена угловая скорость ?0 = 2,24
рад/с. Момент инерции тела относительно оси вращения I = 8 кг • м2. На какой угол
повернется тело до остановки, если на него действует постоянный момент трения
подшипников М= 1 Н • м? (Ответ 20,1)
Телу с вертикальном неподвижной осью вращения сообщена угловая скорость ?0 = 2,24
рад/с. Момент инерции тела относительно оси вращения I = 8 кг • м2. На какой угол
повернется тело до остановки, если на него действует постоянный момент трения
подшипников М= 1 Н • м? (Ответ 20,1)
Вас могут заинтересовать:

12.11.2008
52 продажи
Итоговый экзамен РФЭИ Хозяйственное право (210 вопр.)
Купить
$ 5

20.11.2015
44 продажи
Решение задачи К4 Вариант 06 Диевский В.А. Малышева ИА
Купить
$ 0.63

12.11.2016
40 продаж
Решение задачи 9.6.10 из сборника Кепе О.Е. 1989 года
Купить
$ 0.63

21.04.2016
37 продаж
Решение задачи 16.1.13 из сборника Кепе О.Э.
Купить
$ 0.59

09.12.2015
34 продажи
Решение задачи Д1 Вариант 03 Диевский В.А. Малышева ИА
Купить
$ 0.63

20.04.2016
29 продаж
Решение задачи 13.3.9 из сборника Кепе О.Э.
Купить
$ 0.59
08.01.2016
15 продаж
Решение задачи Д4 (задание 2) Вариант 05 Диевский В.А.
Купить
$ 0.79

15.04.2016
13 продаж
Решение задачи 6.1.10 из сборника Кепе О.Э.
Купить
$ 0.59

06.12.2016
8 продаж
Решение 18.3.20 из сборника (решебника) Кепе О.Е. 1989
Купить
$ 0.63

14.08.2019
4 продажи
Основы патопсихологии тесты Синергия
Купить
$ 1.46

26.04.2016
5 продаж
Решение К2-88 (Рисунок К2.8 условие 8 С.М. Тарг 1989 г)
Купить
$ 0.49

08.06.2025
5 продаж
Философия Итоговый тест + Компетентностный тест ответы
Купить
$ 4.32

15.04.2016
4 продажи
Решение задачи 6.3.1 из сборника Кепе О.Э.
Купить
$ 0.59

23.11.2016
4 продажи
Решение задачи 13.1.4 из сборника Кепе О.Е. 1989 года
Купить
$ 0.63

11.11.2016
4 продажи
Решение задачи 7.5.4 из сборника Кепе О.Е. 1989 года
Купить
$ 0.63

25.04.2016
3 продажи
Решение К1-26 (Рисунок К1.2 условие 6 С.М. Тарг 1989 г)
Купить
$ 0.49

07.08.2023
3 продажи
Иностранный язык, темы 1-15, итоговый тест
Купить
$ 3.43

01.04.2016
3 продажи
Решение задачи 10.3.4 из сборника Кепе О.Е. 1989 года
Купить
$ 0.78
05.09.2018
2 продажи
Диевский В.А. - Решение задачи Д4 вариант 18 задание 2
Купить
$ 0.74

21.04.2016
2 продажи
Решение задачи 20.1.3 из сборника Кепе О.Э.
Купить
$ 0.59

08.09.2023
2 продажи
Общая психология ответы на Компетентностный тест
Купить
$ 3.69

09.10.2020
1 продажа
Решение самостоятельной работы 2 вариант 31 Сетков В.И.
Купить
$ 0.98

16.09.2020
1 продажа
Решение самостоятельной работы 1 вариант 14 Сетков В.И.
Купить
$ 0.98

07.11.2020
1 продажа
Командообразование.Тест Синергия 2020г
Купить
$ 3.42

13.04.2016
1 продажа
К3 Вариант 50 по теоретической механике Тарг С.М. 1983
Купить
$ 0.5
13.04.2016
1 продажа
Решение Д5 Вар. 16, решебник теормех Тарг С.М. 1983 г.
Купить
$ 0.62
17.02.2017
1 продажа
Решение 20.1.7 из сборника (решебника) Кепе О.Е. 1989
Купить
$ 0.79

13.04.2021
1 продажа
Диевский В.А. - Решение задачи Д4 вариант 3 задание 1
Купить
$ 0.59

17.01.2024
0 продаж
Корпоративные финансы
Купить
$ 3.43

14.06.2024
1 продажа
Теория перевода ответы на тест Синергия
Купить
$ 2.47

21.02.2019
0 продаж
Решение задачи №8-4 по Экономике отрасли
Купить
$ 0.49

06.04.2020
1 продажа
Решение задачи №5 из сборника №5 по Материаловедению
Купить
$ 0.49

14.10.2019
0 продаж
15-летний Соловьев работал хлеборезом
Купить
$ 0.17

19.11.2018
4 продажи
Завод металлоконструкций обратился в банк
Купить
$ 0.15

30.09.2019
2 продажи
Григорьев обратился в суд с иском о расторжении брака
Купить
$ 0.17

21.11.2019
0 продаж
Приведите примеры статей конституций
Купить
$ 0.2

13.04.2020
0 продаж
Гражданину Пуговкину по его просьбе был установлен
Купить
$ 0.2

16.04.2020
0 продаж
Никонова, бродяжничая по областям Дальнего Востока
Купить
$ 0.2

16.04.2020
0 продаж
Пузаков предложил своему приятелю Ожиганову
Купить
$ 0.2

19.06.2021
0 продаж
ДВФУ WEBDidactor Административное право - 2 вопроса #597
Купить
$ 0.32

19.06.2021
0 продаж
ДВФУ WEBDidactor Правоведение - 2 вопроса #494
Купить
$ 0.32

18.06.2021
0 продаж
ДВФУ WEBDidactor Философия - 2 вопроса
Купить
$ 0.32

20.06.2021
0 продаж
ДВФУ WEBDidactor Финансово-экономические расчеты - 2 вопроса #1088
Купить
$ 0.32

20.06.2021
0 продаж
ДВФУ WEBDidactor Методы принятия управленческих решений - 2 вопроса #1955
Купить
$ 0.32

21.06.2021
0 продаж
ДВФУ WEBDidactor Финансово-экономические расчеты - 2 вопроса #4404
Купить
$ 0.32

20.06.2021
0 продаж
ДВФУ WEBDidactor Долгосрочная и краткосрочная финансовая политика - 2 вопроса #1138
Купить
$ 0.32

21.06.2021
0 продаж
ДВФУ WEBDidactor Основы маркетинга - 2 вопроса #5215
Купить
$ 0.53

23.06.2021
0 продаж
ДВФУ WEBDidactor Принятие и исполнение государственных решений - 2 вопроса #4938
Купить
$ 0.53

25.06.2021
0 продаж
ДВФУ WEBDidactor Музееведение - 2 вопроса #2912
Купить
$ 0.32

29.06.2021
0 продаж
ДВФУ WEBDidactor Теория и практика коммуникации: Риторика и академическое письмо - 2 вопроса #5052
Купить
$ 0.32