USSR SHOP »
Магазин » Руководство по ремонту и эксплуатации Hyundai R160LC-7
Купить Руководство по ремонту и эксплуатации Hyundai R160LC-7
Описание товара:
Предлагаю полное руководство по ремонту и эксплуатации Hyundai R160LC-7
В руководстве рассмотрено устройство экскаватора, приведены полные гидравлические, электрические схемы, описание систем и методов диагностики неисправностей, описание (с фотографиями) разбора механических частей.
Качество - изначально электронное, оригинальные мануалы на английском языке!
Обращаю внимание на то, что название техники формируется следующим образом: первая буква, например R - вид техники, R - экскаватор, далее число - грузоподъёмность, последняя буква - колёсная ТУТ самое важное, например R130W-3 это 1.3 тонны, но есть ещё другое написание - 1300W-3, и это одно и то же, я проверял на примере нескольких экскаваторов.
Содержание руководства:
Crawler Excavator R160LC-7
FOREWORD
INDEX
SECTION 1
GENERAL
Group 1 Safety Hints
Group 2 Specifications
SECTION 2
STRUCTUREND FUNCTION
Group 1 Pump Device
Group 2 Main Control Valve
Group 3 Swing Device
Group 4 Travel Device
Group 5 RCV Lever
Group 6 RCV Pedal
SECTION 3
HYDRAULIC SYSTEM
Group 1 Hydraulic Circuit
Group 2 Main Circuit
Group 3 Pilot Circuit
Group 4 Single Operation
Group 5 Combined Operation
SECTION 4
ELECTRICAL SYSTEM
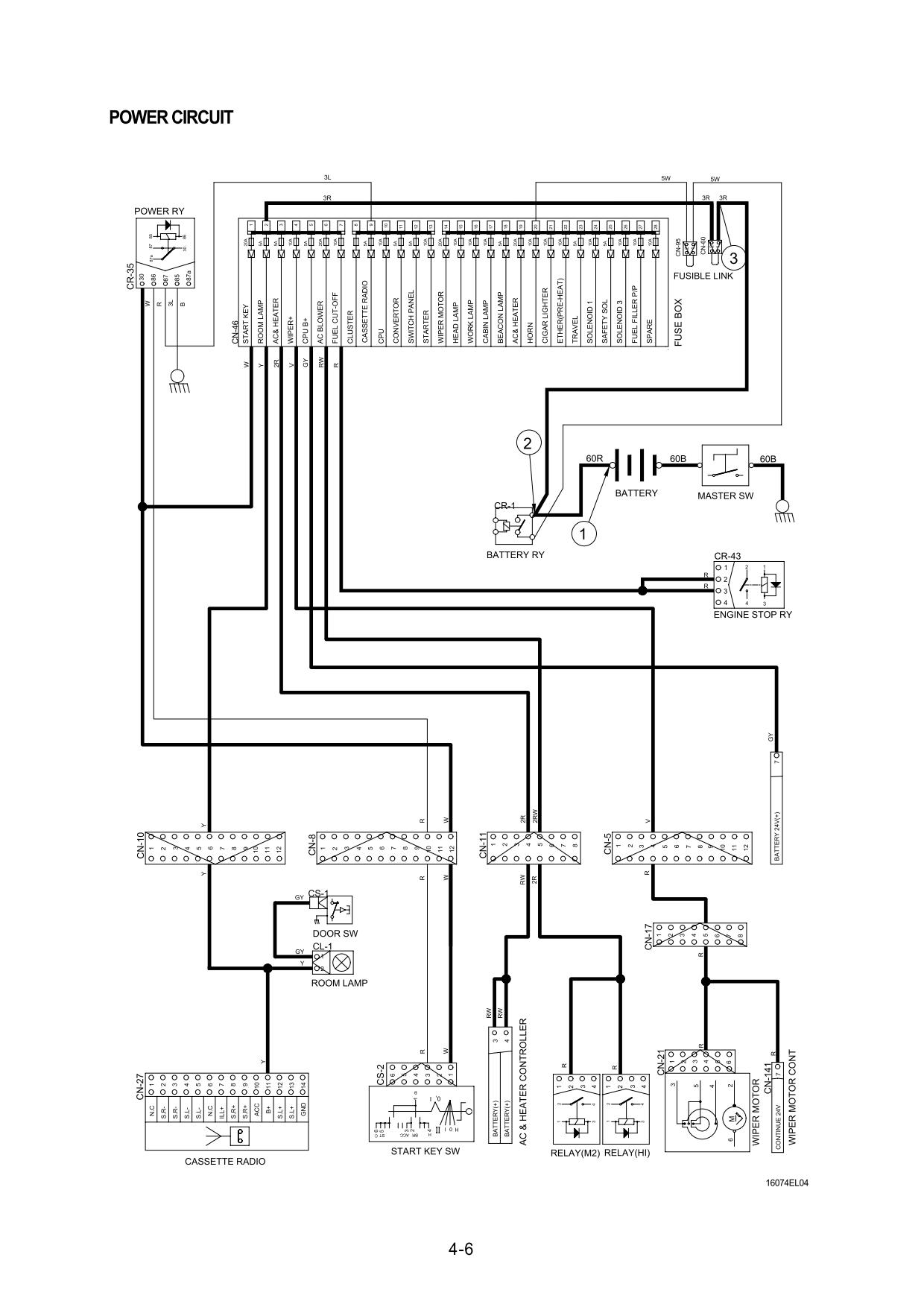
Group 1 Component Location
Group 2 Electrical Circuit
Group 3 Electrical Component Specification
Group 4 Connectors
SECTION 5
MECHATROMICS SYSTEM
Group 1 Outline
Group 2 Mode selection System
Group 3 Automatic Deceleration System
Group 4 Power Boost System
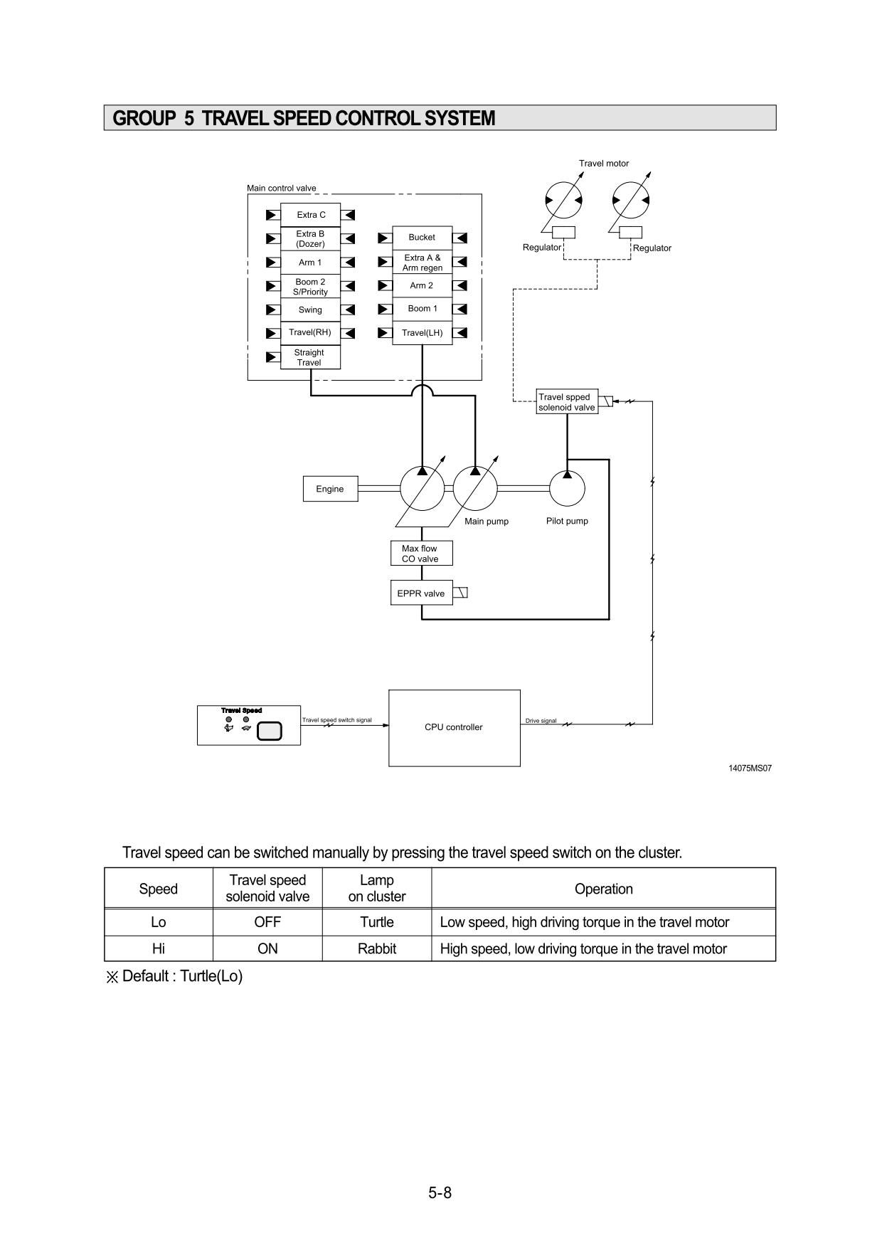
Group 5 Travel Speed Control System
Group 6 Automatic Warming Up Function
Group 7 Engine Overheat Prevention Function
Group 8 Anti-Restart System
Group 9 Self-Diagnostic System
Group 10 Engine Control System
Group 11 EPPR(Electro Proportional Pressure Reducing) Valve
Group 12 Prolix Switch
Group 13 Monitoring System
SECTION 6
TROUBLESHOOTING
Group 1 Before troubleshooting
Group 2 Hydraulic and Mechanical System
Group 3 Electrical System
Group 4 Mechatronics System
SECTION 7
MAINTENANCE STANDARD
Group 1 Operational Performance Test
Group 2 Major Components
Group 3 Track and Work Equipment
SECTION 8
DISASSEMBLY AND ASSEMBLY
Group 1 Precaution
Group 2 Tightening Torque
Group 3 Pump Device
Group 4 Main Control Valve
Group 5 Swing Device
Group 6 Travel Device
Group 7 RCV Lever
Group 8 Turning Joint
Group 9 Boom, Arm and Bucket Cylinder
Group 10 Undercarriage
Group 11 Work Equipment
SECTION 9
COMPONENT MOUNTING TORQUE
Group 1 Introduction guide
Group 2 Engine system
Group 3 Electric system
Group 4 Hydraulic system
Group 5 Undercarriage
Group 6 Structure
Group 7 Work equipment
В руководстве рассмотрено устройство экскаватора, приведены полные гидравлические, электрические схемы, описание систем и методов диагностики неисправностей, описание (с фотографиями) разбора механических частей.
Качество - изначально электронное, оригинальные мануалы на английском языке!
Обращаю внимание на то, что название техники формируется следующим образом: первая буква, например R - вид техники, R - экскаватор, далее число - грузоподъёмность, последняя буква - колёсная ТУТ самое важное, например R130W-3 это 1.3 тонны, но есть ещё другое написание - 1300W-3, и это одно и то же, я проверял на примере нескольких экскаваторов.
Содержание руководства:
Crawler Excavator R160LC-7
FOREWORD
INDEX
SECTION 1
GENERAL
Group 1 Safety Hints
Group 2 Specifications
SECTION 2
STRUCTUREND FUNCTION
Group 1 Pump Device
Group 2 Main Control Valve
Group 3 Swing Device
Group 4 Travel Device
Group 5 RCV Lever
Group 6 RCV Pedal
SECTION 3
HYDRAULIC SYSTEM
Group 1 Hydraulic Circuit
Group 2 Main Circuit
Group 3 Pilot Circuit
Group 4 Single Operation
Group 5 Combined Operation
SECTION 4
ELECTRICAL SYSTEM
Group 1 Component Location
Group 2 Electrical Circuit
Group 3 Electrical Component Specification
Group 4 Connectors
SECTION 5
MECHATROMICS SYSTEM
Group 1 Outline
Group 2 Mode selection System
Group 3 Automatic Deceleration System
Group 4 Power Boost System
Group 5 Travel Speed Control System
Group 6 Automatic Warming Up Function
Group 7 Engine Overheat Prevention Function
Group 8 Anti-Restart System
Group 9 Self-Diagnostic System
Group 10 Engine Control System
Group 11 EPPR(Electro Proportional Pressure Reducing) Valve
Group 12 Prolix Switch
Group 13 Monitoring System
SECTION 6
TROUBLESHOOTING
Group 1 Before troubleshooting
Group 2 Hydraulic and Mechanical System
Group 3 Electrical System
Group 4 Mechatronics System
SECTION 7
MAINTENANCE STANDARD
Group 1 Operational Performance Test
Group 2 Major Components
Group 3 Track and Work Equipment
SECTION 8
DISASSEMBLY AND ASSEMBLY
Group 1 Precaution
Group 2 Tightening Torque
Group 3 Pump Device
Group 4 Main Control Valve
Group 5 Swing Device
Group 6 Travel Device
Group 7 RCV Lever
Group 8 Turning Joint
Group 9 Boom, Arm and Bucket Cylinder
Group 10 Undercarriage
Group 11 Work Equipment
SECTION 9
COMPONENT MOUNTING TORQUE
Group 1 Introduction guide
Group 2 Engine system
Group 3 Electric system
Group 4 Hydraulic system
Group 5 Undercarriage
Group 6 Structure
Group 7 Work equipment