Гипермаркет » Купить Ресивер циркуляционный V=1,2 м3
USSR SHOP » Магазин » Ресивер циркуляционный V=1,2 м3
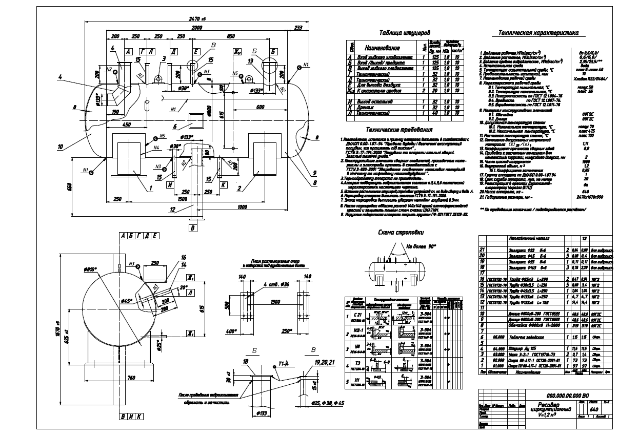
Ресивер циркуляционный V=1,2 м3
$ 10 0 продаж
Методы оплаты:
Продавец: Павел Долин
55 товаров
67 продаж
$ 10

E-mail адрес на который придет покупка:
  • Артикул товара: 1717200
  • Дата добавления: 12.04.2014 - 11.50
  • Тип товара: цифровой товар
  • Файл: 40412235054107.zip (302.88 Кб), загружен 12 апреля 2014 г.
  • Продавец: Павел Долин
  • Чат с продавцом:
    ЗАДАТЬ ВОПРОС

Описание товара:

Ресивер циркуляционный V=1,2 м3. Рабочая среда хладон R22(R404), давление рабочее, 0,6 МПа(6,0 кгс/см2). Допустимая температура стенок минус 70 град.С. Чертеж общего вида, спецификация, чертежи деталей. Формат DWG.

Изображения: