USSR SHOP »
Магазин » Решение задачи Д8 В55, решебник Тарг С.М. 1983 года
Купить Решение задачи Д8 В55, решебник Тарг С.М. 1983 года
Всего продаж: 0
✅ Методы оплаты: 











Описание товара:
Готовое решение задачи Д8 Вариант 55 из решебника по теоретической механике С.М. Тарг 1983 года - (разг. термех Тарг).
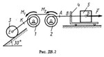
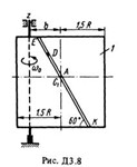
УСЛОВИЕ ЗАДАЧИ Д8 (Стр. 56-59 в методичке Тарг С.М. 1983г.):
Механическая система состоит из тел 1, 2, ..., 5, имеющих веса Р1, Р2, ..., P5, связаных нитями, намотанными на ступенчатые блоки 1 и 2 (рис. Д8.0-Д8.9, табл. Д8). Прочерк в столбцах таблицы, где заданы веса, означает, что соответствующее тело в систему не входит (на чертеже не изображать), а ноль в столбцах таблицы означает, что тело считается невесомым, но в систему входит (на чертеже должно быть изображено). Для колес, обозначенных номером 4, Р4 - их общий вес (вес платформы такой тележки не учитывается).
Радиусы ступенчатых блоков 1 и 2 равны соответственно: R1=R, r1 = 0,8R; R2 = R, r2 = 0,4 R. При вычислении моментов инерции оба блока, колеса и катки считать однородными цилиндрами радиуса R.
На систему кроме сил тяжести действуют сила F. приложенная к телу 4 или 5 (если тело 5 в систему не входит, сила приложена в точке В к тележке), и пары сил с моментами М1 и М2, приложенные к блокам (при М < 0 направление момента противоположно показанному на рисунке).
На участке нити, указанном в таблице в столбце "Пружина", включена пружина с коэффициентом жесткости с (например, если в столбце стоит АВ, то участок АВ является пружиной, если AD то AD пружина, и т.д.); в начальный момент времени пружина не деформирована.
Составить для системы уравнения Лагранжа и определить из них частоту и период колебаний, совершаемых телами системы при ее движении.
После оплаты Вы получите индивидуальную ссылку на уникальное решение задачи Д8 Вариант 55 по теоретической механике из единственного решебника С.М. Тарг 1983 года.
Решение совпадает с решением задачи Д6 из Тарг 1988.
Решение задания выполнено по методическим указаниям и контрольным заданиям по термеху для студентов-заочников теплоэнергетических, горных, металлургических, электро-приборостроительных, автоматизации и технологических специальностей ВУЗов.
Решение оформлено в формате word/pdf/ реже рукописное в формате jpg или gif при необходимости уточните.
Пожалуйста после скачивания работы оставьте положительный отзыв.
Заранее спасибо.
УСЛОВИЕ ЗАДАЧИ Д8 (Стр. 56-59 в методичке Тарг С.М. 1983г.):
Механическая система состоит из тел 1, 2, ..., 5, имеющих веса Р1, Р2, ..., P5, связаных нитями, намотанными на ступенчатые блоки 1 и 2 (рис. Д8.0-Д8.9, табл. Д8). Прочерк в столбцах таблицы, где заданы веса, означает, что соответствующее тело в систему не входит (на чертеже не изображать), а ноль в столбцах таблицы означает, что тело считается невесомым, но в систему входит (на чертеже должно быть изображено). Для колес, обозначенных номером 4, Р4 - их общий вес (вес платформы такой тележки не учитывается).
Радиусы ступенчатых блоков 1 и 2 равны соответственно: R1=R, r1 = 0,8R; R2 = R, r2 = 0,4 R. При вычислении моментов инерции оба блока, колеса и катки считать однородными цилиндрами радиуса R.
На систему кроме сил тяжести действуют сила F. приложенная к телу 4 или 5 (если тело 5 в систему не входит, сила приложена в точке В к тележке), и пары сил с моментами М1 и М2, приложенные к блокам (при М < 0 направление момента противоположно показанному на рисунке).
На участке нити, указанном в таблице в столбце "Пружина", включена пружина с коэффициентом жесткости с (например, если в столбце стоит АВ, то участок АВ является пружиной, если AD то AD пружина, и т.д.); в начальный момент времени пружина не деформирована.
Составить для системы уравнения Лагранжа и определить из них частоту и период колебаний, совершаемых телами системы при ее движении.
После оплаты Вы получите индивидуальную ссылку на уникальное решение задачи Д8 Вариант 55 по теоретической механике из единственного решебника С.М. Тарг 1983 года.
Решение совпадает с решением задачи Д6 из Тарг 1988.
Решение задания выполнено по методическим указаниям и контрольным заданиям по термеху для студентов-заочников теплоэнергетических, горных, металлургических, электро-приборостроительных, автоматизации и технологических специальностей ВУЗов.
Решение оформлено в формате word/pdf/ реже рукописное в формате jpg или gif при необходимости уточните.
Пожалуйста после скачивания работы оставьте положительный отзыв.
Заранее спасибо.