USSR SHOP »
Магазин » Задача Д3 Вариант 89, решебник термех Тарг С.М. 1983 г
Купить Задача Д3 Вариант 89, решебник термех Тарг С.М. 1983 г
Всего продаж: 0
✅ Методы оплаты: 









Описание товара:
Готовое решение задачи Д3 Вариант 89 из решебника по теоретической механике (термех) задачника Тарг С.М. 1983 года.
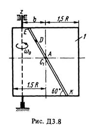
Условие задачи Д3 (Стр. 36-42 методички Тарг С.М. 1983):
Механическая система состоит из прямоугольной вертикальной плиты 1 массой m1 = 24 кг и груза D массой m2 = 8 кг; плита или движется вокруг горизонтальных направляющий (рис. Д3.0-Д3.4), или вращается вокруг вертикальной оси z, лежащей в плоскости плиты (рис. Д3.5-Д3.9) В момент времени t0 = 0 груз начинает двигаться под действием внутренних сил по имеющемуся на плите желобу; закон его движения s = AD = F(t) задан в табл. Д3, где s выражено в метрах, t – в секундах. Форма желоба на рис. Д3.0, Д3.1, Д3.8, Д3.9 – прямолинейная (желоб КЕ), на рис. Д3.2-Д3.7 – окружность радиуса R = 0,8м с центром в центре масс C1 плиты (s = AD на рис. Д3.2 - Д3.7 отсчитывается по дуге окружности).
Плита (рис. Д3.0-Д3.4) имеет в момент t0 = 0 скорость u0 = 0.
Плита (рис Д3.5-Д3.9) имеет в момент времени t0 = 0 угловую скорость ω0 = 8 с-1, и в этот момент на нее начинает действовать вращательный момент М (момент относительно оси), заданный в таблице в ньютонометрах и направленный как ω0 при М > 0 и в противоположную сторону при М < 0. Ось z проходит от центра C1 плиты на расстоянии b; размеры плиты показаны на рисунках.
Считая грузы материальной точкой и пренебрегая всеми сопротивлениями, определить указанное в таблице в столбцах 4 и 9, где обозначено: в столбце 4 (относится к рис. Д3.0-Д3.4) x1 – перемещение плиты за время от t0 = 0 до t1 = 1с, u1 – скорость плиты в момент времени t1 = 1 с, N1 – полная сила нормального давления плиты на направляющие в момент времени t = 1 с (указать, куда сила направлена); в столбце 9 (относится к рис. 5-9) ω1 – угловая скорость плиты в момент времени t1 = 1 с, ω = f(t) – угловая скорость плиты как функция времени.
На всех рисунках груз изоображен в положении, при котором s = AD > 0; при x < 0 груз находится по другую сторону от точки А.
Сразу после оплаты Вы получите ссылку на zip-архив с решением задачи Д3 Вариант 89 по теоретической механике из методички С.М. Тарг 1983 года для студентов-заочников (Решебник Тарга 1983).
Решение выполнено по методическим указаниям и контрольным заданиям для студентов-заочников теплоэнергетических, горных, металлургических, электро-приборостроительных, автоматизации и технологических специальностей ВУЗов.
Решение оформлено в формате WORD.
Пожалуйста оставьте положительный отзыв после проверки решения. Отзыв можно оставить в любой момент, перейдя по полученной ссылке.
Заранее спасибо.
Условие задачи Д3 (Стр. 36-42 методички Тарг С.М. 1983):
Механическая система состоит из прямоугольной вертикальной плиты 1 массой m1 = 24 кг и груза D массой m2 = 8 кг; плита или движется вокруг горизонтальных направляющий (рис. Д3.0-Д3.4), или вращается вокруг вертикальной оси z, лежащей в плоскости плиты (рис. Д3.5-Д3.9) В момент времени t0 = 0 груз начинает двигаться под действием внутренних сил по имеющемуся на плите желобу; закон его движения s = AD = F(t) задан в табл. Д3, где s выражено в метрах, t – в секундах. Форма желоба на рис. Д3.0, Д3.1, Д3.8, Д3.9 – прямолинейная (желоб КЕ), на рис. Д3.2-Д3.7 – окружность радиуса R = 0,8м с центром в центре масс C1 плиты (s = AD на рис. Д3.2 - Д3.7 отсчитывается по дуге окружности).
Плита (рис. Д3.0-Д3.4) имеет в момент t0 = 0 скорость u0 = 0.
Плита (рис Д3.5-Д3.9) имеет в момент времени t0 = 0 угловую скорость ω0 = 8 с-1, и в этот момент на нее начинает действовать вращательный момент М (момент относительно оси), заданный в таблице в ньютонометрах и направленный как ω0 при М > 0 и в противоположную сторону при М < 0. Ось z проходит от центра C1 плиты на расстоянии b; размеры плиты показаны на рисунках.
Считая грузы материальной точкой и пренебрегая всеми сопротивлениями, определить указанное в таблице в столбцах 4 и 9, где обозначено: в столбце 4 (относится к рис. Д3.0-Д3.4) x1 – перемещение плиты за время от t0 = 0 до t1 = 1с, u1 – скорость плиты в момент времени t1 = 1 с, N1 – полная сила нормального давления плиты на направляющие в момент времени t = 1 с (указать, куда сила направлена); в столбце 9 (относится к рис. 5-9) ω1 – угловая скорость плиты в момент времени t1 = 1 с, ω = f(t) – угловая скорость плиты как функция времени.
На всех рисунках груз изоображен в положении, при котором s = AD > 0; при x < 0 груз находится по другую сторону от точки А.
Сразу после оплаты Вы получите ссылку на zip-архив с решением задачи Д3 Вариант 89 по теоретической механике из методички С.М. Тарг 1983 года для студентов-заочников (Решебник Тарга 1983).
Решение выполнено по методическим указаниям и контрольным заданиям для студентов-заочников теплоэнергетических, горных, металлургических, электро-приборостроительных, автоматизации и технологических специальностей ВУЗов.
Решение оформлено в формате WORD.
Пожалуйста оставьте положительный отзыв после проверки решения. Отзыв можно оставить в любой момент, перейдя по полученной ссылке.
Заранее спасибо.
