USSR SHOP »
Магазин » Решение Д5 Вар. 89, решебник теормех Тарг С.М. 1983 г.
Купить Решение Д5 Вар. 89, решебник теормех Тарг С.М. 1983 г.
Всего продаж: 0
✅ Методы оплаты: 










Описание товара:
Решение задания Д5 Вариант 89 из решебника по теоретической механике (термех) методички Тарг С.М. 1983 года.
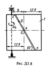
Условие задачи Д5 (Стр. 47-49 задачник Тарг С.М. 1983):
Вертикальный вал AK (рис. Д5.0-Д5.9, табл. Д5), вращающийся с постоянной угловой скоростью ω = 10 с-1, закреплен подпятником в точке А и цилиндрическим подшипником в точке, указанной в табл. Д5 в столбце 2 (AB = BD = DE = EK = b). К валу жестко прикреплены невесомый стержень 1 длиной l1 = 0,4 м с точечной массой m1 = 6 кг на конце и однородный стержень 2 длиной l2 = 0,6 м, имеющий массу m2 = 4 кг; оба стержня лежат в одной плоскости. Точки крепления стержней к валу указаны в таблице в столбцах 3 и 4, а углы α и β – в столбцах 5 и 6.
Пренебрегая весом вала, определить реакции подпятника и подшипника. При окончательных подсчетах принять b = 0,4 м.
Задание Д5 - на применение к изучению движения системы принципа Даламбера.
Сразу после оплаты Вы получите ссылку на zip-архив с решением задачи Д5 Вар. 89 по теоретической механике из решебника Тарг С.М. 1983 года для студентов.
Задача решена по методическим указаниям и контрольным заданиям для студентов-заочников теплоэнергетических, горных, металлургических, электро-приборостроительных, автоматизации и технологических специальностей ВУЗов.
Решение оформлено в формате WORD.
Пожалуйста оставьте положительный отзыв после проверки решения.
Заранее спасибо.
Условие задачи Д5 (Стр. 47-49 задачник Тарг С.М. 1983):
Вертикальный вал AK (рис. Д5.0-Д5.9, табл. Д5), вращающийся с постоянной угловой скоростью ω = 10 с-1, закреплен подпятником в точке А и цилиндрическим подшипником в точке, указанной в табл. Д5 в столбце 2 (AB = BD = DE = EK = b). К валу жестко прикреплены невесомый стержень 1 длиной l1 = 0,4 м с точечной массой m1 = 6 кг на конце и однородный стержень 2 длиной l2 = 0,6 м, имеющий массу m2 = 4 кг; оба стержня лежат в одной плоскости. Точки крепления стержней к валу указаны в таблице в столбцах 3 и 4, а углы α и β – в столбцах 5 и 6.
Пренебрегая весом вала, определить реакции подпятника и подшипника. При окончательных подсчетах принять b = 0,4 м.
Задание Д5 - на применение к изучению движения системы принципа Даламбера.
Сразу после оплаты Вы получите ссылку на zip-архив с решением задачи Д5 Вар. 89 по теоретической механике из решебника Тарг С.М. 1983 года для студентов.
Задача решена по методическим указаниям и контрольным заданиям для студентов-заочников теплоэнергетических, горных, металлургических, электро-приборостроительных, автоматизации и технологических специальностей ВУЗов.
Решение оформлено в формате WORD.
Пожалуйста оставьте положительный отзыв после проверки решения.
Заранее спасибо.