USSR SHOP »
Магазин » Решение задачи Д8 Вариант 22 Диевский В.А. Малышева ИА
Купить Решение задачи Д8 Вариант 22 Диевский В.А. Малышева ИА
Всего продаж: 0
✅ Методы оплаты: 











Описание товара:
Термех Диевский В.А. задача Динамика 8 (Д8) на тему «ТЕОРИЯ УДАРА»:
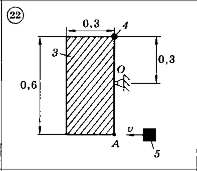
На схемах 1-30 показаны механические системы, состоящие из конструкции и ударяющего по ней тела. Конструкция может вращаться вокруг оси, проходящей через неподвижную точку О. Она состоит из тонких однородных стержней 1 и 2, или однородной пластины 3 и точечных грузов 4. Масса 1 м длины стержней равна 25 кг, масса 1 м2 площади пластины — 50 кг, масса точечного груза — 20 кг. Размеры частей конструкции указаны в метрах.
Тело 5 (материальная точка) массой т5 = 30 кг, двигаясь со скоростью v = 4 м/с, ударяется о неподвижную конструкцию в точке А, причем удар является абсолютно неупругим.
Определить угловую скорость конструкции после удара и воспринимаемый ею ударный импульс. Найти также потерянную при ударе кинетическую энергию системы.
Решение задачи Д8 схема 22
После оплаты вы получите решение задачи по теоретической механике Д8 В22 (схема 22) из сборника заданий «теоретическая механика» Диевский В.А., Малышева И.А. 2009 года для студентов ВУЗов.
Задача выполнена в формате word (набрано в ворде).
После проверки решения буду очень признателен, если вы оставите положительный отзыв.
На схемах 1-30 показаны механические системы, состоящие из конструкции и ударяющего по ней тела. Конструкция может вращаться вокруг оси, проходящей через неподвижную точку О. Она состоит из тонких однородных стержней 1 и 2, или однородной пластины 3 и точечных грузов 4. Масса 1 м длины стержней равна 25 кг, масса 1 м2 площади пластины — 50 кг, масса точечного груза — 20 кг. Размеры частей конструкции указаны в метрах.
Тело 5 (материальная точка) массой т5 = 30 кг, двигаясь со скоростью v = 4 м/с, ударяется о неподвижную конструкцию в точке А, причем удар является абсолютно неупругим.
Определить угловую скорость конструкции после удара и воспринимаемый ею ударный импульс. Найти также потерянную при ударе кинетическую энергию системы.
Решение задачи Д8 схема 22
После оплаты вы получите решение задачи по теоретической механике Д8 В22 (схема 22) из сборника заданий «теоретическая механика» Диевский В.А., Малышева И.А. 2009 года для студентов ВУЗов.
Задача выполнена в формате word (набрано в ворде).
После проверки решения буду очень признателен, если вы оставите положительный отзыв.