USSR SHOP »
Магазин » Решение С3-94 (Рисунок С3.9 условие 4 С.М. Тарг 1989 г)
Купить Решение С3-94 (Рисунок С3.9 условие 4 С.М. Тарг 1989 г)
Всего продаж: 0
✅ Методы оплаты: 












Описание товара:
Решение С3-94 (Рисунок С3.9 условие 4 С.М. Тарг 1989 г)
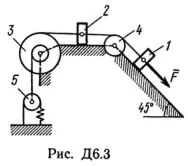
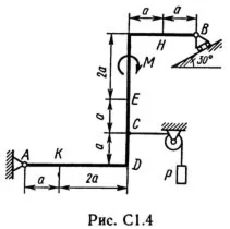
Шесть невесомых стержней соединены своими концами шарнирно друг с другом в двух узлах и прикреплены другими концами (тоже шарнирно) к неподвижным опорам А, В, С, D (рис. СЗ.0 — С3.9, табл. СЗ). Стержни и узлы (узлы расположены в вершинах H, К, L или М прямоугольного параллелепипеда) на рисунках не показаны и должны быть изображены решающим задачу по данным таблицы. В узле, который в каждом столбце таблицы указан первым, приложена сила Р = 200 Н; во втором узле приложена сила Q = 100 Н. Сила Р образует с положительными направлениями координатных осей х, у, z углы, равные соответственно α1 = 45°, β1 = 60°, γ1 = 60°, а сила Q — углы α2 = 60°, β2 = 45°, γ2 = 60°; направления осей х, у, z для всех рисунков показаны на рис. СЗ.0. Грани параллелепипеда, параллельные плоскости ху, — квадраты. Диагонали других боковых граней образуют с плоскостью ху угол φ = 60°, а диагональ параллелепипеда образует с этой плоскостью угол θ = 51°. Определить усилия в стержнях. На рис. С3.10 в качестве примера показано, как должен выглядеть чертеж СЗ. 1, если по условиям задачи узлы находятся в точках L и М, а стержнями являются LM, LA, LB; МА, МС, MD. Там же показаны углы φ и θ.
Шесть невесомых стержней соединены своими концами шарнирно друг с другом в двух узлах и прикреплены другими концами (тоже шарнирно) к неподвижным опорам А, В, С, D (рис. СЗ.0 — С3.9, табл. СЗ). Стержни и узлы (узлы расположены в вершинах H, К, L или М прямоугольного параллелепипеда) на рисунках не показаны и должны быть изображены решающим задачу по данным таблицы. В узле, который в каждом столбце таблицы указан первым, приложена сила Р = 200 Н; во втором узле приложена сила Q = 100 Н. Сила Р образует с положительными направлениями координатных осей х, у, z углы, равные соответственно α1 = 45°, β1 = 60°, γ1 = 60°, а сила Q — углы α2 = 60°, β2 = 45°, γ2 = 60°; направления осей х, у, z для всех рисунков показаны на рис. СЗ.0. Грани параллелепипеда, параллельные плоскости ху, — квадраты. Диагонали других боковых граней образуют с плоскостью ху угол φ = 60°, а диагональ параллелепипеда образует с этой плоскостью угол θ = 51°. Определить усилия в стержнях. На рис. С3.10 в качестве примера показано, как должен выглядеть чертеж СЗ. 1, если по условиям задачи узлы находятся в точках L и М, а стержнями являются LM, LA, LB; МА, МС, MD. Там же показаны углы φ и θ.