USSR SHOP »
Магазин » Решение Д1-04 (Рисунок Д1.0 условие 4 С.М. Тарг 1988 г)
Купить Решение Д1-04 (Рисунок Д1.0 условие 4 С.М. Тарг 1988 г)
Всего продаж: 1
✅ Методы оплаты: 











Описание товара:
Решение Д1-04 (Рисунок Д1.0 условие 4 С.М. Тарг 1988 г)
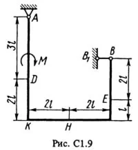
Груз D массой m, получив в точке А начальную скорость v0, движется в изогнутой трубе ABC, расположенной в вертикальной плоскости; участки трубы или оба наклонные, или один горизонтальный, а другой наклонный (рис. Д1.0-Д1.9 табл. Д1). На рисунке АВ на груз кроме силы тяжести действуют постоянная сила Q (ее направление показано на рисунках) и сила сопротивления среды R, зависит от скорости груза v (направлена против движения). В точке В груз, не изменяя значения своей скорости, переходит на участок ВС трубы, где на него кроме силы тяжести действует переменная сила F, проекция которой Fx на ось x задана в таблице. Считая груз материальной точкой и зная расстояние АВ = l или время t1 движения груза от точки А до точки В. Найти закон движения груза на участке ВС, т.е. x = f(t), где x = BD. Трением груза о трубу пренебречь.
Груз D массой m, получив в точке А начальную скорость v0, движется в изогнутой трубе ABC, расположенной в вертикальной плоскости; участки трубы или оба наклонные, или один горизонтальный, а другой наклонный (рис. Д1.0-Д1.9 табл. Д1). На рисунке АВ на груз кроме силы тяжести действуют постоянная сила Q (ее направление показано на рисунках) и сила сопротивления среды R, зависит от скорости груза v (направлена против движения). В точке В груз, не изменяя значения своей скорости, переходит на участок ВС трубы, где на него кроме силы тяжести действует переменная сила F, проекция которой Fx на ось x задана в таблице. Считая груз материальной точкой и зная расстояние АВ = l или время t1 движения груза от точки А до точки В. Найти закон движения груза на участке ВС, т.е. x = f(t), где x = BD. Трением груза о трубу пренебречь.