USSR SHOP »
Магазин » Решение Д2-27 (Рисунок Д2.2 условие 7 С.М. Тарг 1988 г)
Купить Решение Д2-27 (Рисунок Д2.2 условие 7 С.М. Тарг 1988 г)
Всего продаж: 0
✅ Методы оплаты: 











Описание товара:
Решение Д2-27 (Рисунок Д2.2 условие 7 С.М. Тарг 1988 г)
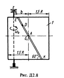
Механическая система состоит из прямоугольной вертикальной плиты 1 массой m1 = 24 кг и груза D массой m2 = 8 кг; плита или движется вокруг горизонтальных направляющий (рис. Д2.0-Д2.4), или вращается вокруг вертикальной оси z, лежащей в плоскости плиты (рис. Д2.5-Д2.9). В момент времени t0 = 0 груз начинает двигаться под действием внутренних сил по имеющемуся на плите желобу; закон его движения s = AD = F(t) задан в табл. Д2, где s выражено в метрах, t – в секундах. Форма желоба на рис. Д2.0, Д2.1, Д2.8, Д2.9 – прямолинейная (желоб КЕ), на рис. Д2.2-Д2.7 – окружность радиуса R = 0,8 м с центром в центре масс C1 плиты (s = AD на рис. Д2.2 - Д2.7 отсчитывается по дуге окружности). Плита (рис. Д2.0-Д2.4) имеет в момент t0 = 0 скорость v0 = 0. Плита (рис Д2.5-Д2.9) имеет в момент времени t0 = 0 угловую скорость ω0 = 8 с-1, и в этот момент на нее начинает действовать вращательный момент М (момент относительно оси), заданный в таблице в ньютонометрах и направленный как ω0 при М > 0 и в противоположную сторону при М < 0. Ось z проходит от центра C1 плиты на расстоянии b; размеры плиты показаны на рисунках. Считая грузы материальной точкой и пренебрегая всеми сопротивлениями, определить указанное в таблице в столбцах 4 и 9, где обозначено: в столбце 4 (относится к рис. Д2.0-Д2.4) x1 – перемещение плиты за время от t0 = 0 до t1 = 1 с, v – скорость плиты в момент времени t1 = 1 с, N – полная сила нормального давления плиты на направляющие в момент времени t = 1 с (указать, куда сила направлена); в столбце 9 (относится к рис. 5-9) ω1 – угловая скорость плиты в момент времени t1 = 1 с, ω = f(t) – угловая скорость плиты как функция времени. На всех рисунках груз показан в положении, при котором s = AD > 0; при x < 0 груз находится по другую сторону от точки А.
Механическая система состоит из прямоугольной вертикальной плиты 1 массой m1 = 24 кг и груза D массой m2 = 8 кг; плита или движется вокруг горизонтальных направляющий (рис. Д2.0-Д2.4), или вращается вокруг вертикальной оси z, лежащей в плоскости плиты (рис. Д2.5-Д2.9). В момент времени t0 = 0 груз начинает двигаться под действием внутренних сил по имеющемуся на плите желобу; закон его движения s = AD = F(t) задан в табл. Д2, где s выражено в метрах, t – в секундах. Форма желоба на рис. Д2.0, Д2.1, Д2.8, Д2.9 – прямолинейная (желоб КЕ), на рис. Д2.2-Д2.7 – окружность радиуса R = 0,8 м с центром в центре масс C1 плиты (s = AD на рис. Д2.2 - Д2.7 отсчитывается по дуге окружности). Плита (рис. Д2.0-Д2.4) имеет в момент t0 = 0 скорость v0 = 0. Плита (рис Д2.5-Д2.9) имеет в момент времени t0 = 0 угловую скорость ω0 = 8 с-1, и в этот момент на нее начинает действовать вращательный момент М (момент относительно оси), заданный в таблице в ньютонометрах и направленный как ω0 при М > 0 и в противоположную сторону при М < 0. Ось z проходит от центра C1 плиты на расстоянии b; размеры плиты показаны на рисунках. Считая грузы материальной точкой и пренебрегая всеми сопротивлениями, определить указанное в таблице в столбцах 4 и 9, где обозначено: в столбце 4 (относится к рис. Д2.0-Д2.4) x1 – перемещение плиты за время от t0 = 0 до t1 = 1 с, v – скорость плиты в момент времени t1 = 1 с, N – полная сила нормального давления плиты на направляющие в момент времени t = 1 с (указать, куда сила направлена); в столбце 9 (относится к рис. 5-9) ω1 – угловая скорость плиты в момент времени t1 = 1 с, ω = f(t) – угловая скорость плиты как функция времени. На всех рисунках груз показан в положении, при котором s = AD > 0; при x < 0 груз находится по другую сторону от точки А.