USSR SHOP »
Магазин » Задачи по механике 1-10
Купить Задачи по механике 1-10
Описание товара:
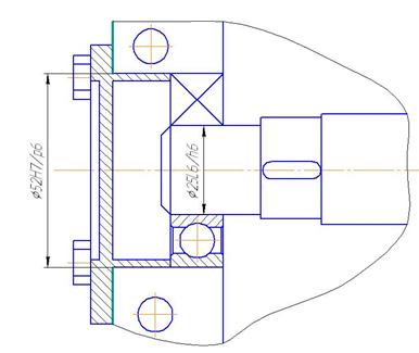
Подобрать посадки для внутреннего и наружного колец подшипника, построить схему расположения полей допусков и дать сборочный эскиз подшипника с валом и с корпусом
Исходные данные:
Однорадиальный подшипник 205
Класс точности подшипника 0
Радиальная нагрузка 300 кг
Решение задачи сопровождается пояснением и расшифровкой формул. После оплаты Вы сможете получить файл, сделанный в Word. Возможно, решение этой задачи в соответствии с вашими требованиями
Исходные данные:
Однорадиальный подшипник 205
Класс точности подшипника 0
Радиальная нагрузка 300 кг
Решение задачи сопровождается пояснением и расшифровкой формул. После оплаты Вы сможете получить файл, сделанный в Word. Возможно, решение этой задачи в соответствии с вашими требованиями
