USSR SHOP »
Магазин » Диевский В.А. - Решение задачи Д7 вариант 27 задание 1
Купить Диевский В.А. - Решение задачи Д7 вариант 27 задание 1
Обновлено: 2025-10-23 19:52:15
$ 0.74
0 продаж
Всего продаж: 0
✅ Методы оплаты: 










Описание товара:
Д7-27 (Задание 1) Диевский
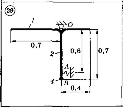
Для приведенной на схеме механической системы определить собственную частоту колебаний. Механическая система, показанная на схеме в положении равновесия, может совершать свободные колебания, вращаясь вокруг горизонтальной оси z, проходящей через неподвижную точку O. Система состоит из жестко скрепленных друг с другом тел: тонких однородных стержней 1 и 2 или однородной пластины 3 и точечного груза 4. Масса 1 м длины стержней равна 25 кг, масса 1 м2 площади пластины - 50 кг, масса точечного груза - 20 кг. Упругие элементы имеют коэффициент жесткости c = 10кН/м. Размеры частей системы указаны в метрах.
Для приведенной на схеме механической системы определить собственную частоту колебаний. Механическая система, показанная на схеме в положении равновесия, может совершать свободные колебания, вращаясь вокруг горизонтальной оси z, проходящей через неподвижную точку O. Система состоит из жестко скрепленных друг с другом тел: тонких однородных стержней 1 и 2 или однородной пластины 3 и точечного груза 4. Масса 1 м длины стержней равна 25 кг, масса 1 м2 площади пластины - 50 кг, масса точечного груза - 20 кг. Упругие элементы имеют коэффициент жесткости c = 10кН/м. Размеры частей системы указаны в метрах.
Изображения:
Вас могут заинтересовать:
14.03.2016
28 продаж
Решение задачи Д3 (задание 1) Вариант 04 Диевский В.А.
Купить
$ 0.79
14.03.2016
27 продаж
Решение задачи Д3 (задание 1) Вариант 06 Диевский В.А.
Купить
$ 0.79
14.03.2016
24 продажи
Решение задачи Д3 (задание 1) Вариант 19 Диевский В.А.
Купить
$ 0.79
14.03.2016
20 продаж
Решение задачи Д3 (задание 1) Вариант 15 Диевский В.А.
Купить
$ 0.79
26.11.2015
18 продаж
Решение задачи Д3 Вариант 03 (задание 1, 2) Диевский ВА
Купить
$ 1.44
14.03.2016
14 продаж
Решение задачи Д3 (задание 2) Вариант 11 Диевский В.А.
Купить
$ 0.79
08.01.2016
12 продаж
Решение задачи Д4 (задание 2) Вариант 24 Диевский В.А.
Купить
$ 1.18
03.03.2016
12 продаж
Решение задачи Д3 Вариант 29 (задание 1, 2) Диевский ВА
Купить
$ 1.44
14.03.2016
11 продаж
Решение задачи Д3 (задание 1) Вариант 13 Диевский В.А.
Купить
$ 0.79
14.03.2016
10 продаж
Решение задачи Д3 (задание 1) Вариант 25 Диевский В.А.
Купить
$ 0.79
14.03.2016
10 продаж
Решение задачи Д3 (задание 2) Вариант 13 Диевский В.А.
Купить
$ 0.79
23.05.2016
10 продаж
Решение задачи Д7 (задание 1) Вариант 19 Диевский В.А.
Купить
$ 0.79

05.09.2018
7 продаж
Диевский В.А. - Решение задачи Д4 вариант 1 задание 2
Купить
$ 0.59
11.01.2016
7 продаж
Решение задачи Д7 (задание 2) Вариант 05 Диевский В.А.
Купить
$ 0.79
22.12.2017
6 продаж
Диевский В.А. - Решение задачи Д7 вариант 13 задание 1
Купить
$ 0.73
14.03.2016
6 продаж
Решение задачи Д3 (задание 2) Вариант 26 Диевский В.А.
Купить
$ 0.79
26.04.2016
6 продаж
Решение задачи Д7 (задание 2) Вариант 14 Диевский В.А.
Купить
$ 1.12
08.01.2016
6 продаж
Решение задачи Д4 (задание 2) Вариант 03 Диевский В.А.
Купить
$ 0.79
05.09.2018
5 продаж
Диевский В.А. - Решение задачи Д4 вариант 7 задание 2
Купить
$ 0.73
20.01.2017
4 продажи
Диевский В.А. - Решение задачи Д4 вариант 30 задание 2
Купить
$ 0.74

22.12.2017
4 продажи
Диевский В.А. - Решение задачи Д7 вариант 8 задание 2
Купить
$ 0.59
14.05.2016
4 продажи
Решение задачи Д7 (задание 1) Вариант 07 Диевский В.А.
Купить
$ 0.79
19.11.2016
4 продажи
Решение задачи Д7 (задание 2) Вариант 09 Диевский В.А.
Купить
$ 1.12
22.12.2017
3 продажи
Диевский В.А. - Решение задачи Д7 вариант 4 задание 2
Купить
$ 0.74
22.12.2017
2 продажи
Диевский В.А. - Решение задачи Д7 вариант 22 задание 2
Купить
$ 0.73
22.12.2017
2 продажи
Диевский В.А. - Решение задачи Д7 вариант 18 задание 1
Купить
$ 0.74
22.12.2017
3 продажи
Диевский В.А. - Решение задачи Д7 вариант 19 задание 1
Купить
$ 0.73

06.06.2016
2 продажи
Решение задачи Д7 (задание 2) Вариант 18 Диевский В.А.
Купить
$ 0.89
06.06.2016
2 продажи
Решение задачи Д7 (задание 2) Вариант 25 Диевский В.А.
Купить
$ 1.12
05.09.2018
1 продажа
Диевский В.А. - Решение задачи Д4 вариант 25 задание 2
Купить
$ 0.74
05.09.2018
3 продажи
Диевский В.А. - Решение задачи Д4 вариант 21 задание 2
Купить
$ 0.74
22.12.2017
1 продажа
Диевский В.А. - Решение задачи Д7 вариант 21 задание 2
Купить
$ 0.74
22.12.2017
1 продажа
Диевский В.А. - Решение задачи Д7 вариант 16 задание 1
Купить
$ 0.73
11.01.2016
1 продажа
Решение задачи Д7 (задание 1) Вариант 29 Диевский В.А.
Купить
$ 0.79
13.04.2021
1 продажа
Диевский В.А. - Решение задачи Д4 вариант 12 задание 2
Купить
$ 0.74
13.04.2021
1 продажа
Диевский В.А. - Решение задачи Д4 вариант 29 задание 1
Купить
$ 0.74
13.04.2021
1 продажа
Диевский В.А. - Решение задачи Д4 вариант 25 задание 1
Купить
$ 0.74
13.04.2021
1 продажа
Диевский В.А. - Решение задачи Д4 вариант 5 задание 1
Купить
$ 0.73

13.04.2021
1 продажа
Диевский В.А. - Решение задачи Д4 вариант 2 задание 1
Купить
$ 0.59
13.04.2021
1 продажа
Диевский В.А. - Решение задачи Д4 вариант 9 задание 1
Купить
$ 0.74
13.04.2021
1 продажа
Решение задачи Д3 вариант 22 задание 2 - Диевский В.А.
Купить
$ 0.74
13.04.2021
1 продажа
Решение задачи Д3 вариант 26 задание 1 - Диевский В.А.
Купить
$ 0.74

13.04.2021
1 продажа
Решение задачи Д3 вариант 7 задание 2 - Диевский В.А.
Купить
$ 0.59
13.04.2021
1 продажа
Решение задачи Д3 вариант 12 задание 1 - Диевский В.А.
Купить
$ 0.73

13.04.2021
1 продажа
Решение задачи Д3 вариант 5 задание 1 - Диевский В.А.
Купить
$ 0.59
18.05.2018
0 продаж
Диевский В.А. - Решение задачи Д7 вариант 26 задание 1
Купить
$ 0.74
22.12.2017
0 продаж
Диевский В.А. - Решение задачи Д7 вариант 2 задание 2
Купить
$ 0.74
18.05.2018
0 продаж
Диевский В.А. - Решение задачи Д7 вариант 23 задание 2
Купить
$ 0.74
18.05.2018
0 продаж
Диевский В.А. - Решение задачи Д7 вариант 27 задание 2
Купить
$ 0.74
18.05.2018
0 продаж
Диевский В.А. - Решение задачи Д7 вариант 29 задание 2
Купить
$ 0.74