USSR SHOP »
Магазин » Решение С1-36 (Рисунок С1.3 условие 6 С.М. Тарг 1989 г)
Купить Решение С1-36 (Рисунок С1.3 условие 6 С.М. Тарг 1989 г)
Обновлено: 2026-02-07 09:25:45
$ 0.64
0 продаж
Всего продаж: 0
✅ Методы оплаты: 












Описание товара:
Решение С1-36 (Рисунок С1.3 условие 6 С.М. Тарг 1989 г)
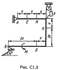
Жесткая рама, расположенная в вертикальной плоскости (рис. С1.0 — С1.9, табл. С1), закреплена в точке А шарнирно, а в точке В прикреплена или к невесомому стержню с шарнирами на концах, или к шарнирной опоре на катках. В точке С к раме привязан трос, перекинутый через блок и несущий на конце груз весом Р = 25 кН. На раму действуют пара сил с моментом М = 100 кН·м и две силы, значения, направления и точки приложения которых указаны в таблице (например, в условиях № 1 на раму действует сила F2 под углом 15° к горизонтальной оси, приложенная в точке D и сила F3 под углом 60° к горизонтальной оси, приложенная в точке E, и т. д.). Определить реакции связей в точках A, В, вызываемые действующими нагрузками. При окончательных расчетах принять а = 0,5 м.
Жесткая рама, расположенная в вертикальной плоскости (рис. С1.0 — С1.9, табл. С1), закреплена в точке А шарнирно, а в точке В прикреплена или к невесомому стержню с шарнирами на концах, или к шарнирной опоре на катках. В точке С к раме привязан трос, перекинутый через блок и несущий на конце груз весом Р = 25 кН. На раму действуют пара сил с моментом М = 100 кН·м и две силы, значения, направления и точки приложения которых указаны в таблице (например, в условиях № 1 на раму действует сила F2 под углом 15° к горизонтальной оси, приложенная в точке D и сила F3 под углом 60° к горизонтальной оси, приложенная в точке E, и т. д.). Определить реакции связей в точках A, В, вызываемые действующими нагрузками. При окончательных расчетах принять а = 0,5 м.
Изображения:
Вас могут заинтересовать:
08.11.2016
33 продажи
Решение задачи 2.3.8 из сборника Кепе О.Е. 1989 года
Купить
$ 0.8
09.11.2016
16 продаж
Решение задачи 2.6.14 из сборника Кепе О.Е. 1989 года
Купить
$ 0.82
12.05.2017
12 продаж
Решение 21.1.5 из сборника (решебника) Кепе О.Е. 1989
Купить
$ 1.2
11.11.2016
11 продаж
Решение задачи 7.2.9 из сборника Кепе О.Е. 1989 года
Купить
$ 0.83
23.11.2016
10 продаж
Решение задачи 13.3.10 из сборника Кепе О.Е. 1989 года
Купить
$ 0.83
08.11.2016
9 продаж
Решение задачи 2.4.14 из сборника Кепе О.Е. 1989 года
Купить
$ 0.82
10.11.2016
9 продаж
Решение задачи 5.5.3 из сборника Кепе О.Е. 1989 года
Купить
$ 0.84
09.11.2016
9 продаж
Решение задачи 3.2.15 из сборника Кепе О.Е. 1989 года
Купить
$ 0.84
11.11.2016
9 продаж
Решение задачи 7.4.19 из сборника Кепе О.Е. 1989 года
Купить
$ 0.83
08.12.2016
8 продаж
Решение 20.2.6 из сборника (решебника) Кепе О.Е. 1989
Купить
$ 0.85
11.11.2016
8 продаж
Решение задачи 7.8.11 из сборника Кепе О.Е. 1989 года
Купить
$ 0.83
25.11.2016
6 продаж
Решение задачи 14.2.15 из сборника Кепе О.Е. 1989 года
Купить
$ 0.84
14.11.2019
5 продаж
Решение задачи 13.4.4 из сборника Кепе О.Е. 1989 года
Купить
$ 0.82
10.11.2016
5 продаж
Решение задачи 5.1.9 из сборника Кепе О.Е. 1989 года
Купить
$ 0.83
18.03.2016
4 продажи
Решение С1-40 (Рисунок С1.4 условие 0 С.М. Тарг 1989 г)
Купить
$ 0.65
15.11.2016
3 продажи
Решение задачи 11.1.4 из сборника Кепе О.Е. 1989 года
Купить
$ 0.85
10.11.2016
3 продажи
Решение задачи 5.2.10 из сборника Кепе О.Е. 1989 года
Купить
$ 0.82
19.06.2017
3 продажи
Решение 21.1.25 из сборника (решебника) Кепе О.Е. 1989
Купить
$ 1.2
02.06.2016
2 продажи
Решение Д6-18 (Рисунок Д6.1 условие 8 С.М. Тарг 1989 г)
Купить
$ 0.65
26.04.2016
2 продажи
Решение К4-83 (Рисунок К4.8 условие 3 С.М. Тарг 1989 г)
Купить
$ 0.64
26.04.2016
4 продажи
Решение К3-41 (Рисунок К3.4 условие 1 С.М. Тарг 1989 г)
Купить
$ 0.65
26.04.2016
2 продажи
Решение К2-31 (Рисунок К2.3 условие 1 С.М. Тарг 1989 г)
Купить
$ 0.64
20.07.2010
0 продаж
icq под дату рождения 6-03-1989-3
Купить
$ 0.64
04.03.2021
2 продажи
Решение задачи 10.3.5 из сборника Кепе О.Е. 1989 года
Купить
$ 0.85
16.12.2016
2 продажи
Задача 17.2.19 из сборника (решебника) Кепе О.Е. 1989
Купить
$ 0.83
26.04.2016
1 продажа
Решение К3-76 (Рисунок К3.7 условие 6 С.М. Тарг 1989 г)
Купить
$ 0.64
25.04.2016
1 продажа
Решение С4-76 (Рисунок С4.7 условие 6 С.М. Тарг 1989 г)
Купить
$ 0.65
17.10.2017
1 продажа
Решение 23.1.12 из сборника (решебника) Кепе О.Е. 1989
Купить
$ 1.03
09.06.2019
1 продажа
Решение задачи 12.4.4 из сборника Кепе О.Е. 1989 года
Купить
$ 1.25
12.02.2024
0 продаж
Тарг С.М. 1989 К4 вариант 12
Купить
$ 0.51
10.06.2023
0 продаж
Тарг С.М. 1989 Д1 вариант 44
Купить
$ 0.52
08.06.2023
0 продаж
Тарг С.М. 1989 Д1 вариант 74
Купить
$ 0.52
04.06.2023
0 продаж
Тарг С.М. 1989 К1 вариант 60
Купить
$ 0.51
21.03.2016
0 продаж
Решение С1-98 (Рисунок С1.9 условие 8 С.М. Тарг 1989 г)
Купить
$ 0.65
25.04.2016
0 продаж
Решение С4-49 (Рисунок С4.4 условие 9 С.М. Тарг 1989 г)
Купить
$ 0.65
26.04.2016
0 продаж
Решение К3-20 (Рисунок К3.2 условие 0 С.М. Тарг 1989 г)
Купить
$ 0.64
26.05.2016
0 продаж
Решение Д3-75 (Рисунок Д3.7 условие 5 С.М. Тарг 1989 г)
Купить
$ 0.65
26.05.2016
0 продаж
Решение Д3-83 (Рисунок Д3.8 условие 3 С.М. Тарг 1989 г)
Купить
$ 0.65
31.05.2016
0 продаж
Решение Д5-20 (Рисунок Д5.2 условие 0 С.М. Тарг 1989 г)
Купить
$ 0.65
02.06.2016
0 продаж
Решение Д6-09 (Рисунок Д6.0 условие 9 С.М. Тарг 1989 г)
Купить
$ 0.65
02.06.2016
0 продаж
Решение Д7-39 (Рисунок Д7.3 условие 9 С.М. Тарг 1989 г)
Купить
$ 0.65
20.02.2025
0 продаж
Тарг С.М. 1989 С2 вариант 49
Купить
$ 0.51
31.10.2016
0 продаж
Задача 17.2.12 из сборника (решебника) Кепе О.Е. 1989
Купить
$ 0.84
04.07.2013
2 продажи
Решение Д6 В30 (рис 3 усл 0) термех Тарг С.М. 1989 года
Купить
$ 0.8
24.05.2013
4 продажи
Решение С2 рисунок 0 условие 6 (вариант 06) Тарг 1989
Купить
$ 0.8
27.05.2013
2 продажи
Решение С3 рисунок 6 условие 0 (вариант 60) Тарг 1989
Купить
$ 0.8
09.07.2013
2 продажи
Тарг С.М. 1989 г. решение задачи Д10 В90 (рис. 9усл. 0)
Купить
$ 0.8
08.07.2013
3 продажи
Тарг С.М. 1989 г. решение задачи Д10 В39 (рис. 3усл. 9)
Купить
$ 0.8
08.07.2013
5 продаж
Решение задачи Д8 В85 (рис 8 усл 5) теормех Тарг 1989 г
Купить
$ 0.8
03.07.2013
4 продажи
Решение Д5 В32 (рис 3 усл 2) теормех Тарг С.М. 1989 г
Купить
$ 0.8