USSR SHOP »
Магазин » К3 Вариант 05 по теоретической механике Тарг С.М. 1983
Купить К3 Вариант 05 по теоретической механике Тарг С.М. 1983
Всего продаж: 0
✅ Методы оплаты: 










Описание товара:
Решение задачи К3 Вариант 05 из решебника по теоретической механике методички Тарг С.М. 1983 года.
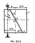
Условие задачи К3 (Стр. 25-28 сборника Тарг С.М. 1983):
Прямоугольная пластина (рис. К3.0-К3.5) или круглая пластина радиусом R = 60 см (рис. К3.6-К3.9) вращается вокруг неподвижной оси с постоянной угловой скоростью ω, заданной в табл. К3 (при знаке минус направление ω противоположно показанному на рисунке). Ось вращения на рис. К3.0-К3.3 и К3.8, К3.9 перпендикулярна плоскости пластины и проходит через точку О (пластина вращается в своей плоскости); на рис. К3.4-К3.7 ось вращения ОО1 лежит в плоскости пластины (пластина вращается в пространстве).
По пластине вдоль прямой BD (рис. К3.0-К3.5) или по окружности радиуса R, т. е. по ободу пластины (рис. К3.6-К3.9), движется точка М. Закон ее относительного движения, выражаемый уравнением s = AM = f(t) (s – в сантиметрах, t – в секундах), задан в табл. К№ отдельно для рис. К3.0-К3.5 и для рис. К3.6-К3.9,при этом на рис. 6-9 s = AM и отсчитывается по дуге окружности; там же даны размеры b и l. На всех рисунках точка М показаны в положении, при котором s = AM > 0 (при s < 0 точка М находится по другую сторону от точки A).
Определить абсолютную скорость и абсолютное ускорение точки М в момент времени t1 = 1 с.
После оплаты Вы получите ссылку на архив zip с решением задачи К3 вариант 05 по теоретической механике из решебника методички Тарг С.М. 1983 года для студентов-заочников. Задача выполнена по методическим указаниям и контрольным заданиям для студентов-заочников теплоэнергетических, горных, металлургических, электро-приборостроительных, автоматизации и технологических специальностей ВУЗов.
Решение оформлено в формате WORD.
Скачав решение задачи оставьте пожалуйста положительный отзыв. Отзыв можно оставить в любой момент, перейдя по полученной ссылке.
Заранее спасибо.
Условие задачи К3 (Стр. 25-28 сборника Тарг С.М. 1983):
Прямоугольная пластина (рис. К3.0-К3.5) или круглая пластина радиусом R = 60 см (рис. К3.6-К3.9) вращается вокруг неподвижной оси с постоянной угловой скоростью ω, заданной в табл. К3 (при знаке минус направление ω противоположно показанному на рисунке). Ось вращения на рис. К3.0-К3.3 и К3.8, К3.9 перпендикулярна плоскости пластины и проходит через точку О (пластина вращается в своей плоскости); на рис. К3.4-К3.7 ось вращения ОО1 лежит в плоскости пластины (пластина вращается в пространстве).
По пластине вдоль прямой BD (рис. К3.0-К3.5) или по окружности радиуса R, т. е. по ободу пластины (рис. К3.6-К3.9), движется точка М. Закон ее относительного движения, выражаемый уравнением s = AM = f(t) (s – в сантиметрах, t – в секундах), задан в табл. К№ отдельно для рис. К3.0-К3.5 и для рис. К3.6-К3.9,при этом на рис. 6-9 s = AM и отсчитывается по дуге окружности; там же даны размеры b и l. На всех рисунках точка М показаны в положении, при котором s = AM > 0 (при s < 0 точка М находится по другую сторону от точки A).
Определить абсолютную скорость и абсолютное ускорение точки М в момент времени t1 = 1 с.
После оплаты Вы получите ссылку на архив zip с решением задачи К3 вариант 05 по теоретической механике из решебника методички Тарг С.М. 1983 года для студентов-заочников. Задача выполнена по методическим указаниям и контрольным заданиям для студентов-заочников теплоэнергетических, горных, металлургических, электро-приборостроительных, автоматизации и технологических специальностей ВУЗов.
Решение оформлено в формате WORD.
Скачав решение задачи оставьте пожалуйста положительный отзыв. Отзыв можно оставить в любой момент, перейдя по полученной ссылке.
Заранее спасибо.