USSR SHOP »
Магазин » Решение К2-31 (Рисунок К2.3 условие 1 С.М. Тарг 1988 г)
Купить Решение К2-31 (Рисунок К2.3 условие 1 С.М. Тарг 1988 г)
Всего продаж: 0
✅ Методы оплаты: 











Описание товара:
Решение К2-31 (Рисунок К2.3 условие 1 С.М. Тарг 1988 г)
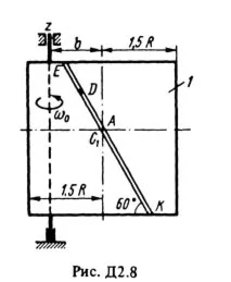
Плоский механизм состоит из стержней 1 – 4 и ползуна B, соединенных друг с другом и с неподвижными опорами O1 и O2 шарнирами (рис. К2.0-К2.9). Длины стержней: l1 = 0,4 м, l2 = 1,2 м, l3 = 1,4 м, l4 = 0,8 м. Положение механизма определяется углами α, β, γ, φ, θ, которые вместе с другими величинами заданы в табл. К2. Точка D на всех рисунках и точка К на рис. К2.7-К2.9 в середине соответствующего стержня. Определить величины, указанные в таблице в столбце «Найти». Найти также ускорение aA точки А стержня 1, если стержень 1 имеет в данный момент времени угловое ускорение ε1 = 10 с-2 Дуговые стрелки на рисунках показывают, как при построении чертежа должны откладываться соответствующие углы, т.е. по ходу или против хода часовой стрелки (например, угол γ на рис. 1 следует отложить от стержня DE против хода часовой стрелки, а на рис. 2 – от стержня AE по ходу часовой стрелки). Построение чертежа начинать со стержня, направление которого определяется углом α; ползун В и его направляющие для большей наглядности изобразить, как в примере К2 (см. рис. К2). Заданную угловую скорость считать направленной против хода часовой стрелки, а заданную скорость vB – от точки В к b.
Плоский механизм состоит из стержней 1 – 4 и ползуна B, соединенных друг с другом и с неподвижными опорами O1 и O2 шарнирами (рис. К2.0-К2.9). Длины стержней: l1 = 0,4 м, l2 = 1,2 м, l3 = 1,4 м, l4 = 0,8 м. Положение механизма определяется углами α, β, γ, φ, θ, которые вместе с другими величинами заданы в табл. К2. Точка D на всех рисунках и точка К на рис. К2.7-К2.9 в середине соответствующего стержня. Определить величины, указанные в таблице в столбце «Найти». Найти также ускорение aA точки А стержня 1, если стержень 1 имеет в данный момент времени угловое ускорение ε1 = 10 с-2 Дуговые стрелки на рисунках показывают, как при построении чертежа должны откладываться соответствующие углы, т.е. по ходу или против хода часовой стрелки (например, угол γ на рис. 1 следует отложить от стержня DE против хода часовой стрелки, а на рис. 2 – от стержня AE по ходу часовой стрелки). Построение чертежа начинать со стержня, направление которого определяется углом α; ползун В и его направляющие для большей наглядности изобразить, как в примере К2 (см. рис. К2). Заданную угловую скорость считать направленной против хода часовой стрелки, а заданную скорость vB – от точки В к b.