USSR SHOP »
Магазин » Решение задачи Д9-30 из сборника Яблонского А.А.
Купить Решение задачи Д9-30 из сборника Яблонского А.А.
Обновлено: 2025-10-24 00:10:37

$ 0.2
0 продаж
Всего продаж: 0
✅ Методы оплаты: 










Описание товара:
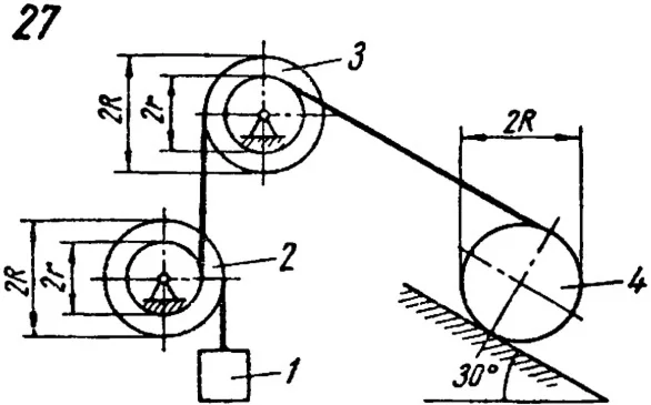
Задача Д9-30.bmp
Тело H массой m1 вращается вокруг вертикальной оси z с постоянной угловой скоростью ω0; при этом в точке O желоба AB тела H на расстоянии AO от точки A, отсчитываемом вдоль желоба, находится материальная точка K массой m2. В некоторый момент времени (t = 0) на систему начинает действовать пара сил с моментом Mz = Mz(t). При t = τ действие сил прекращается.
Определить угловую скорость ωτ тела H в момент t = τ.
Тело H вращается по инерции с угловой скоростью ωτ.
В некоторый момент времени t1 = 0 (t1 - новое начало отсчета времени) точка K (самоходный механизм) начинает относительное движение из точки O вдоль желоба AB (в направлении к B) по закону OK = s =s(t1).
Определить угловую скорость тела H при t1 = T.
Тело H массой m1 вращается вокруг вертикальной оси z с постоянной угловой скоростью ω0; при этом в точке O желоба AB тела H на расстоянии AO от точки A, отсчитываемом вдоль желоба, находится материальная точка K массой m2. В некоторый момент времени (t = 0) на систему начинает действовать пара сил с моментом Mz = Mz(t). При t = τ действие сил прекращается.
Определить угловую скорость ωτ тела H в момент t = τ.
Тело H вращается по инерции с угловой скоростью ωτ.
В некоторый момент времени t1 = 0 (t1 - новое начало отсчета времени) точка K (самоходный механизм) начинает относительное движение из точки O вдоль желоба AB (в направлении к B) по закону OK = s =s(t1).
Определить угловую скорость тела H при t1 = T.
Вас могут заинтересовать:

14.08.2007
15 продаж
Решение задачи В2К3 из сборника Яблонского
Купить
$ 0.72

14.08.2007
12 продаж
Решение задачи В7К3 из сборника Яблонского
Купить
$ 0.72

29.06.2007
10 продаж
Решение задачи В1Д1 из сборника Яблонского
Купить
$ 0.72

21.08.2007
7 продаж
Решение задачи В26К7 из сборника Яблонского
Купить
$ 0.72

28.09.2007
7 продаж
Решение задачи В15Д9 из сборника Яблонского
Купить
$ 0.72

28.09.2007
5 продаж
Решение задачи В18Д9 из сборника Яблонского
Купить
$ 0.72

15.08.2007
4 продажи
Решение задачи В25К3 из сборника Яблонского
Купить
$ 0.72

17.08.2007
4 продажи
Решение задачи В5Д4 из сборника Яблонского
Купить
$ 0.72

04.09.2007
4 продажи
Решение задачи В1Д3 из сборника Яблонского
Купить
$ 0.72

29.09.2007
4 продажи
Решение задачи В28Д9 из сборника Яблонского
Купить
$ 0.72

19.10.2007
4 продажи
Решение задачи В28Д16 из сборника Яблонского
Купить
$ 0.72

23.12.2007
3 продажи
Решение задачи В28К8 из сборника Яблонского
Купить
$ 1.57

16.07.2007
3 продажи
Решение задачи В23С2 из сборника Яблонского
Купить
$ 0.99

13.08.2007
3 продажи
Решение задачи В3К2 из сборника Яблонского
Купить
$ 0.72

15.08.2007
3 продажи
Решение задачи В2Д15 из сборника Яблонского
Купить
$ 0.99

11.09.2007
3 продажи
Решение задачи В13Д6 из сборника Яблонского
Купить
$ 0.72

17.09.2007
3 продажи
Решение задачи В15Д14 из сборника Яблонского
Купить
$ 0.72

21.10.2007
2 продажи
Решение задачи В1Д20 из сборника Яблонского
Купить
$ 3.68

10.07.2007
2 продажи
Решение задачи В7С2 из сборника Яблонского
Купить
$ 0.99

12.07.2007
2 продажи
Решение задачи В17С2 из сборника Яблонского
Купить
$ 0.99

15.08.2007
2 продажи
Решение задачи В10Д2 из сборника Яблонского
Купить
$ 0.72

17.09.2007
2 продажи
Решение задачи В16Д14 из сборника Яблонского
Купить
$ 0.72

06.10.2007
2 продажи
Решение задачи В15С8 из сборника Яблонского
Купить
$ 0.72

08.10.2007
2 продажи
Решение задачи В4Д7 из сборника Яблонского
Купить
$ 0.99

26.10.2007
1 продажа
Решение задачи В15Д21 из сборника Яблонского
Купить
$ 3.68

29.10.2007
1 продажа
Решение задачи В22Д21 из сборника Яблонского
Купить
$ 3.68

20.09.2007
1 продажа
Решение задачи В8К8 из сборника Яблонского
Купить
$ 1.57

08.10.2007
1 продажа
Решение задачи В11Д7 из сборника Яблонского
Купить
$ 0.99

16.08.2007
0 продаж
Решение задачи В6Д15 из сборника Яблонского
Купить
$ 0.99

15.06.2020
1 продажа
Решение задачи Д19-05 из сборника Яблонского А.А.
Купить
$ 0.15

03.10.2007
3 продажи
Решение задачи В25Д19Лагр из сборника Яблонского
Купить
$ 0.48

20.07.2016
4 продажи
Решение задачи С1-16 из сборника Яблонского А.А.
Купить
$ 0.2

20.07.2016
0 продаж
Решение задачи С4-29 из сборника Яблонского А.А.
Купить
$ 0.2

20.07.2016
0 продаж
Решение задачи С5-11 из сборника Яблонского А.А.
Купить
$ 0.2

20.07.2016
0 продаж
Решение задачи С6-08 из сборника Яблонского А.А.
Купить
$ 0.49

21.07.2016
4 продажи
Решение задачи К1-06 из сборника Яблонского А.А.
Купить
$ 0.2

21.07.2016
0 продаж
Решение задачи К1-28 из сборника Яблонского А.А.
Купить
$ 0.2

21.07.2016
1 продажа
Решение задачи К3-29 из сборника Яблонского А.А.
Купить
$ 0.2

21.07.2016
0 продаж
Решение задачи К8-30 из сборника Яблонского А.А.
Купить
$ 0.49

22.07.2016
0 продаж
Решение задачи Д1-17 из сборника Яблонского А.А.
Купить
$ 0.2

25.07.2016
0 продаж
Решение задачи Д4-19 из сборника Яблонского А.А.
Купить
$ 0.2

25.07.2016
1 продажа
Решение задачи Д6-04 из сборника Яблонского А.А.
Купить
$ 0.24

28.07.2016
1 продажа
Решение задачи Д11-07 из сборника Яблонского А.А.
Купить
$ 0.2

28.07.2016
1 продажа
Решение задачи Д11-16 из сборника Яблонского А.А.
Купить
$ 0.2

28.07.2016
0 продаж
Решение задачи Д15-14 из сборника Яблонского А.А.
Купить
$ 0.2

28.07.2016
0 продаж
Решение задачи Д15-18 из сборника Яблонского А.А.
Купить
$ 0.24

16.06.2020
0 продаж
Решение задачи Д19-27 из сборника Яблонского А.А.
Купить
$ 0.15

28.07.2016
0 продаж
Решение задачи Д21-23 из сборника Яблонского А.А.
Купить
$ 0.49

28.07.2016
0 продаж
Решение задачи К6-04 из сборника Яблонского А.А.
Купить
$ 0.49

29.07.2016
0 продаж
Решение задачи Д17-10 из сборника Яблонского А.А.
Купить
$ 0.61