Гипермаркет » Купить Расчётно-графическая работа по электротехники 7 вариант
USSR SHOP » Магазин » Расчётно-графическая работа по электротехники 7 вариант
Расчётно-графическая работа по электротехники 7 вариант
$ 0.27 0 продаж
Методы оплаты:
Продавец: Trifonov_AS
38 товаров
3 продаж
$ 0.27

E-mail адрес на который придет покупка:
  • Артикул товара: 2463658
  • Дата добавления: 17.04.2018 - 10.36
  • Тип товара: пин-коды
  • Файл: Документ Microsoft Office Word(yjd).docx (40.59 Кб), загружен 17 апреля 2018 г.
  • Продавец: Trifonov_AS
  • Чат с продавцом:
    ЗАДАТЬ ВОПРОС

Описание товара:

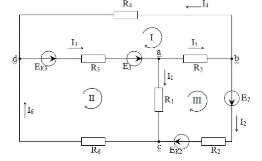
Расчётно-графическая работа по электротехники 7 вариант

E1 = 12 В
E2 = 13 В
R1 = 130 Ом
R2 = 40 Ом
R3 = 600 Ом
R4 = 80 Ом
R5 = 110 Ом
R6 = 45 Ом
EК1 = R1IK1 =130∙1 = 130 (В)
EК2 = R2IK2 = 40∙0,3= 12 (В)
Необходимо выполнить следующие действия:
1. Составить на основании законов Кирхгофа систему уравнений для расчёта токов во всех ветвях схемы
2. Определить токи во всех ветвях схемы методом контурных токов
3. Составить баланс мощностей, вычислив отдельную суммарную мощность нагрузок (сопротивлений)
4. Результаты расчёта токов, проведённого тремя методами, свести в таблицу и сравнить их между собой
5. Построить потенциальную диаграмму любого замкнутого контура, включающего обе ЭДС

Изображения: